lemon-mirror:
Home >> Scion >> 2006 >> xB Automatic >> Repair and Diagnosis >> Electrical >> Body Electrical >> OEM System Circuits >> Interior Light >> Notes

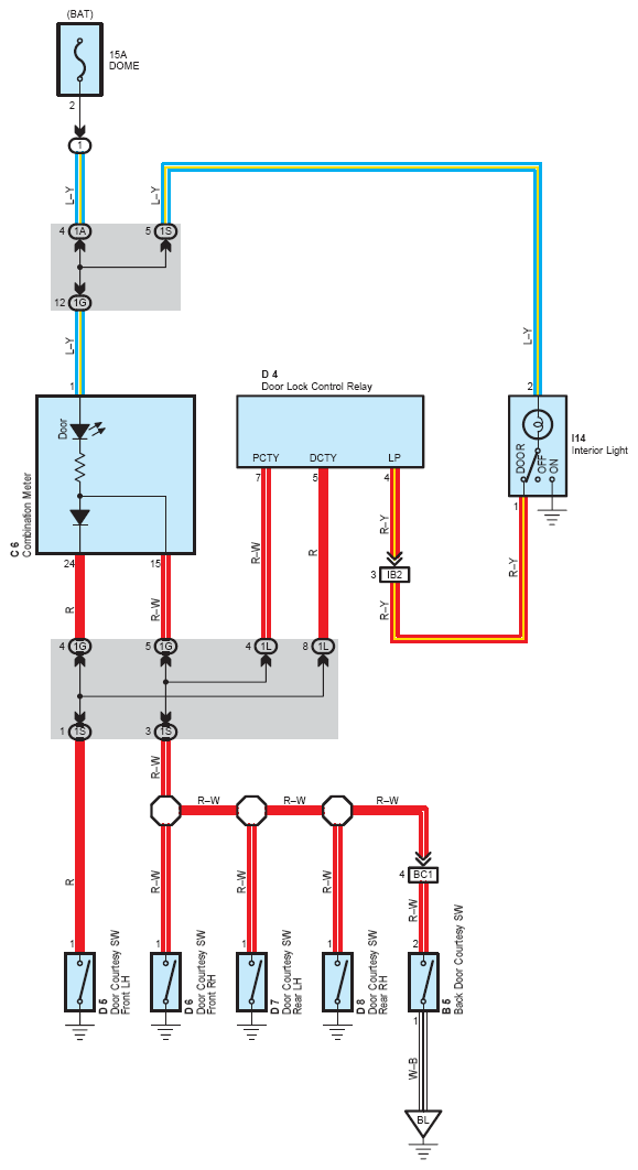
Interior Light: Notes

Fig 1: Interior Light System Wiring Diagram
G08759005Courtesy of © TOYOTA, LICENSE AGREEMENT TMS1002