lemon-mirror:
Home >> Scion >> 2006 >> xB Automatic >> Repair and Diagnosis >> Electrical >> Body Electrical >> OEM System Circuits >> Remote Control Mirror >> Notes

Remote Control Mirror: Notes

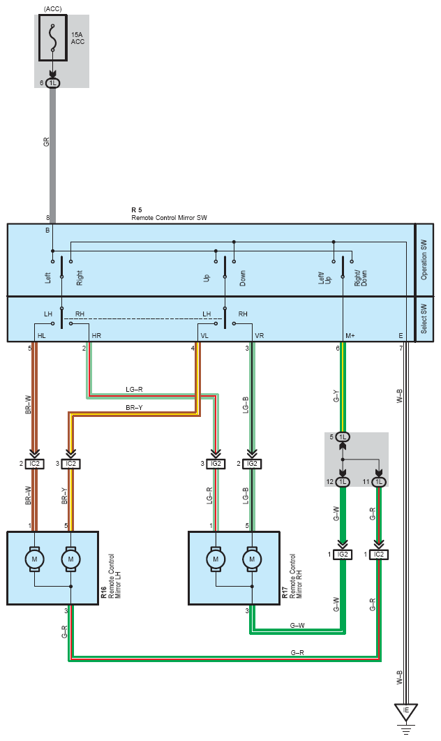
Fig 1: Remote Control Mirror System Wiring Diagram
G08759047Courtesy of © TOYOTA, LICENSE AGREEMENT TMS1002