lemon-mirror:
Home >> Scion >> 2006 >> xB Automatic >> Repair and Diagnosis >> Electrical >> Body Electrical >> OEM System Circuits >> Starting and Ignition >> Notes

Starting and Ignition: Notes

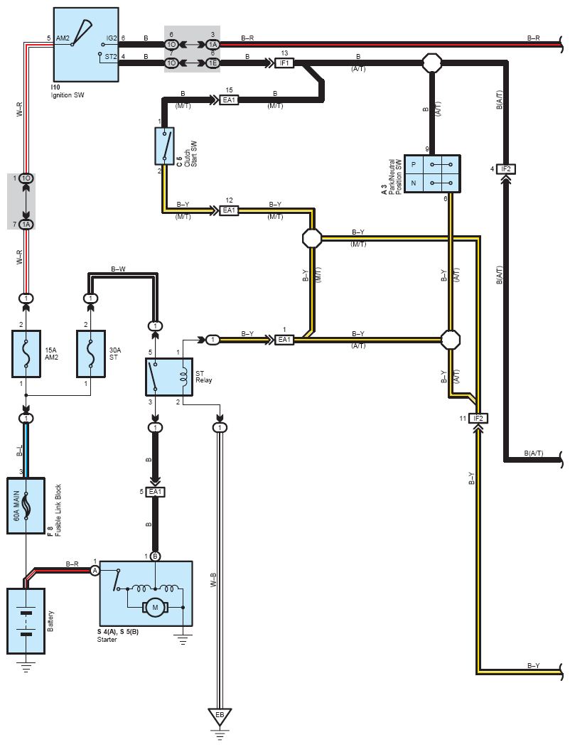
Fig 1: Starting And Ignition System Wiring Diagram (1 Of 2)
G08758993Courtesy of © TOYOTA, LICENSE AGREEMENT TMS1002
Fig 2: Starting And Ignition System Wiring Diagram (2 Of 2)
G08758994Courtesy of © TOYOTA, LICENSE AGREEMENT TMS1002