lemon-mirror:
Home >> Scion >> 2006 >> xB Automatic >> Repair and Diagnosis >> Transmission >> Automatic Trans >> U340E Automatic Transaxle >> Shift Lock System >> System Diagram

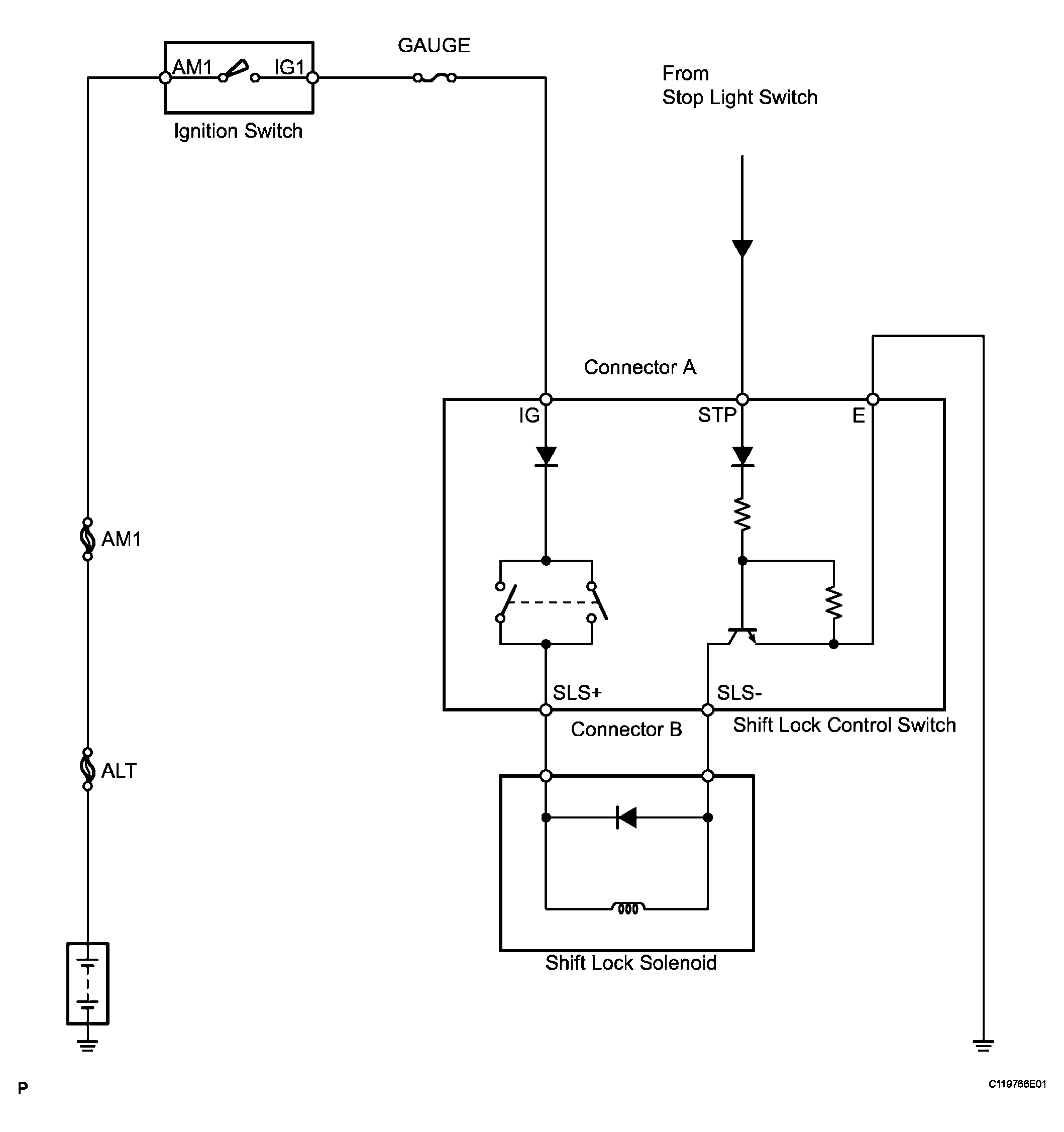
System Diagram

Fig 1: System Diagram
G04227534Courtesy of © TOYOTA, LICENSE AGREEMENT TMS1002

HINT:

The shift lock control switch turns ON when the shift lever is in the P position, and turns OFF when the shift lever is not in the P position.