lemon-mirror:
Home >> Scion >> 2007 >> tC Base, Automatic >> Repair and Diagnosis >> Electrical >> Body Electrical >> OEM System Circuits >> Front Wiper and Washer >> Notes

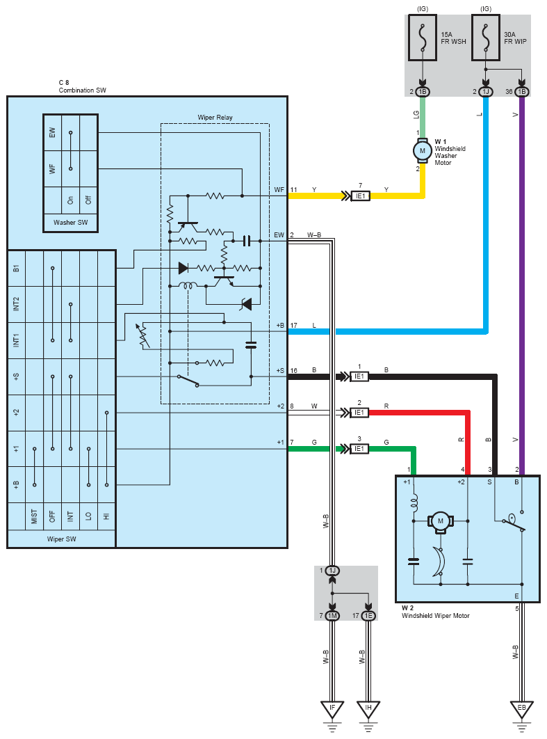
Front Wiper and Washer: Notes

Fig 1: Front Wiper And Washer System Wiring Diagram
G08759391Courtesy of © TOYOTA, LICENSE AGREEMENT TMS1002