lemon-mirror:
Home >> Scion >> 2007 >> tC Base, Automatic >> Repair and Diagnosis >> Electrical >> Body Electrical >> OEM System Circuits >> Illumination >> Notes

OEM System Circuits: Illumination: Notes

Fig 1: Illumination System Wiring Diagram (1 Of 2)
G08759386Courtesy of © TOYOTA, LICENSE AGREEMENT TMS1002
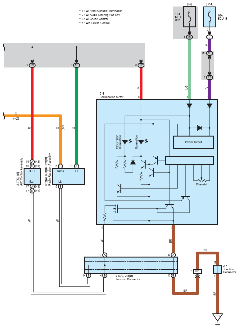
Fig 2: Illumination System Wiring Diagram (2 Of 2)
G08759387Courtesy of © TOYOTA, LICENSE AGREEMENT TMS1002