lemon-mirror:
Home >> Scion >> 2007 >> tC Base, Automatic >> Repair and Diagnosis >> Electrical >> Body Electrical >> OEM System Circuits >> SRS >> Notes

OEM System Circuits: SRS: Notes

Fig 1: SRS System Wiring Diagram (1 Of 4)
G08759421Courtesy of © TOYOTA, LICENSE AGREEMENT TMS1002
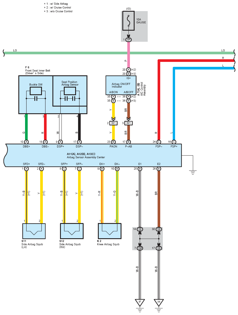
Fig 2: SRS System Wiring Diagram (2 Of 4)
G08759422Courtesy of © TOYOTA, LICENSE AGREEMENT TMS1002
Fig 3: SRS System Wiring Diagram (3 Of 4)
G08759423Courtesy of © TOYOTA, LICENSE AGREEMENT TMS1002
Fig 4: SRS System Wiring Diagram (4 Of 4)
G08759424Courtesy of © TOYOTA, LICENSE AGREEMENT TMS1002