lemon-mirror:
Home >> Scion >> 2007 >> tC Spec, Automatic >> Repair and Diagnosis >> Electrical >> Body Electrical >> OEM System Circuits >> Combination Meter >> Notes

Combination Meter: Notes

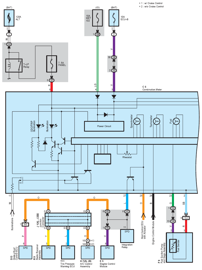
Fig 1: Combination Meter System Wiring Diagram (1 Of 4)
G08759434Courtesy of © TOYOTA, LICENSE AGREEMENT TMS1002
Fig 2: Combination Meter System Wiring Diagram (2 Of 4)
G08759435Courtesy of © TOYOTA, LICENSE AGREEMENT TMS1002
Fig 3: Combination Meter System Wiring Diagram (3 Of 4)
G08759436Courtesy of © TOYOTA, LICENSE AGREEMENT TMS1002
Fig 4: Combination Meter System Wiring Diagram (4 Of 4)
G08759437Courtesy of © TOYOTA, LICENSE AGREEMENT TMS1002