lemon-mirror:
Home >> Scion >> 2008 >> tC Base, Automatic >> Repair and Diagnosis >> Electrical >> Body Electrical >> OEM System Circuits >> Air Conditioning >> Notes

Air Conditioning: Notes

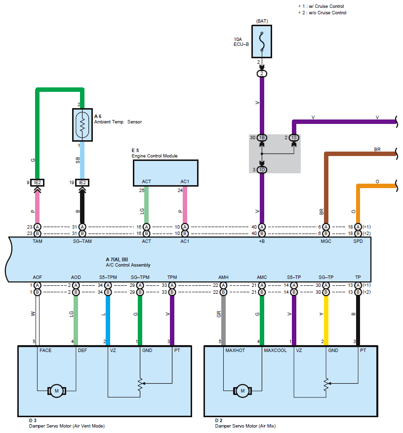
Fig 1: Air Conditioning - Circuit Diagram (1 Of 4)
G07603228Courtesy of © TOYOTA, LICENSE AGREEMENT TMS1002
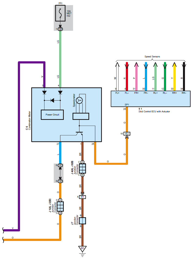
Fig 2: Air Conditioning - Circuit Diagram (2 Of 4)
G07603229Courtesy of © TOYOTA, LICENSE AGREEMENT TMS1002
Fig 3: Air Conditioning - Circuit Diagram (3 Of 4)
G07603230Courtesy of © TOYOTA, LICENSE AGREEMENT TMS1002
Fig 4: Air Conditioning - Circuit Diagram (4 Of 4)
G07603231Courtesy of © TOYOTA, LICENSE AGREEMENT TMS1002