lemon-mirror:
Home >> Scion >> 2008 >> tC Base, Automatic >> Repair and Diagnosis >> Electrical >> Body Electrical >> OEM System Circuits >> Door Lock Control >> Notes

Door Lock Control: Notes

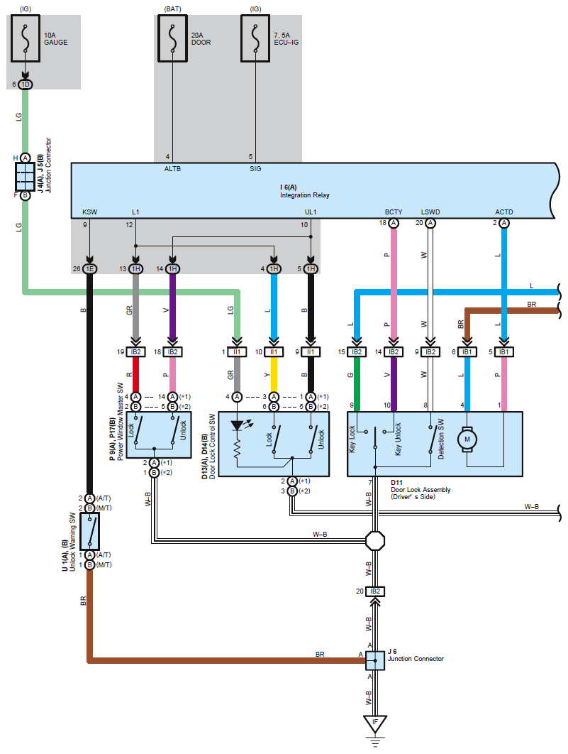
Fig 1: Door Lock Control - Circuit Diagram (1 Of 2)
G07603183Courtesy of © TOYOTA, LICENSE AGREEMENT TMS1002
Fig 2: Door Lock Control - Circuit Diagram (2 Of 2)
G07603184Courtesy of © TOYOTA, LICENSE AGREEMENT TMS1002

The door lock control is a system controlled by various signals sent to the integration relay.

  1. Manual Unlock Operation 

    When the door lock control SW of the driver's or passenger's side door is pushed to UNLOCK, the door unlocks.

  2. Manual Lock Operation 

    When the door lock control SW of the driver's or passenger's side door is pushed to LOCK, the door locks.

  3. Door Key Unlock Operation 

    * Unlock operation from driver's side door

    When the driver's side door is unlocked once using a mechanical key, only the driver's side door unlocks. If this operation is repeated within 3 seconds, all the other doors also unlock.

  4. Ignition Key Reminder Operation 

    If the ignition key is still inserted in the ignition key cylinder and the driver door is open, any locking operations using the lock knob on the driver's door will not take effect but will instead automatically unlock the door. When the door is locked with the manual door lock SW on the driver door or door key SW in the driver door, the door locks once but immediately after that, the door will unlock again automatically.