lemon-mirror:
Home >> Scion >> 2008 >> tC Base, Automatic >> Repair and Diagnosis >> Electrical >> Body Electrical >> OEM System Circuits >> Power Window with Jam Protection >> Notes

Power Window with Jam Protection: Notes

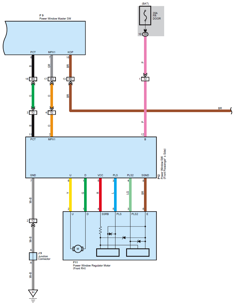
Fig 1: Power Window With Jam Protection - Circuit Diagram (1 Of 3)
G07603179Courtesy of © TOYOTA, LICENSE AGREEMENT TMS1002
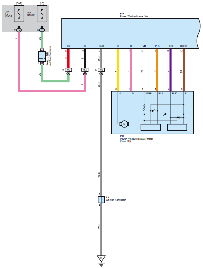
Fig 2: Power Window With Jam Protection - Circuit Diagram (2 Of 3)
G07603180Courtesy of © TOYOTA, LICENSE AGREEMENT TMS1002
Fig 3: Power Window With Jam Protection - Circuit Diagram (3 Of 3)
G07603181Courtesy of © TOYOTA, LICENSE AGREEMENT TMS1002