lemon-mirror:
Home >> Scion >> 2008 >> tC Base, Automatic >> Repair and Diagnosis >> Electrical >> Body Electrical >> OEM System Circuits >> Remote Control Mirror >> Notes

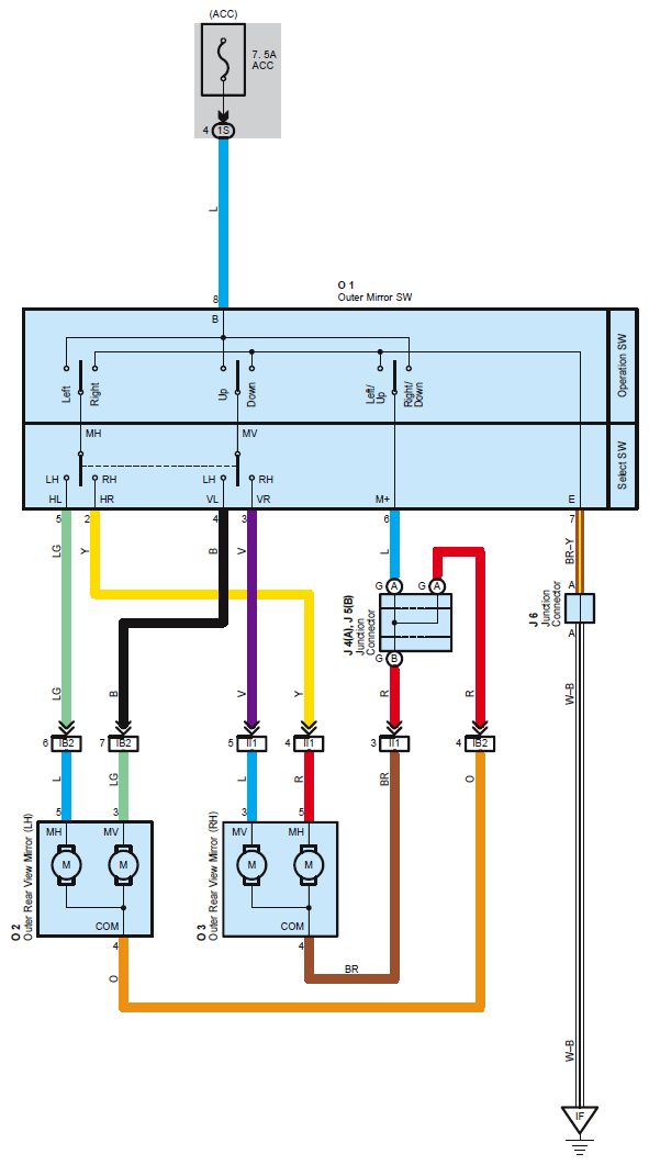
Remote Control Mirror: Notes

Fig 1: Remote Control Mirror - Circuit Diagram
G07603178Courtesy of © TOYOTA, LICENSE AGREEMENT TMS1002