lemon-mirror:
Home >> Scion >> 2008 >> xB Automatic >> Repair and Diagnosis >> Electrical >> Body Electrical >> OEM System Circuits >> Data Link Connector 3 >> Notes

Data Link Connector 3: Notes

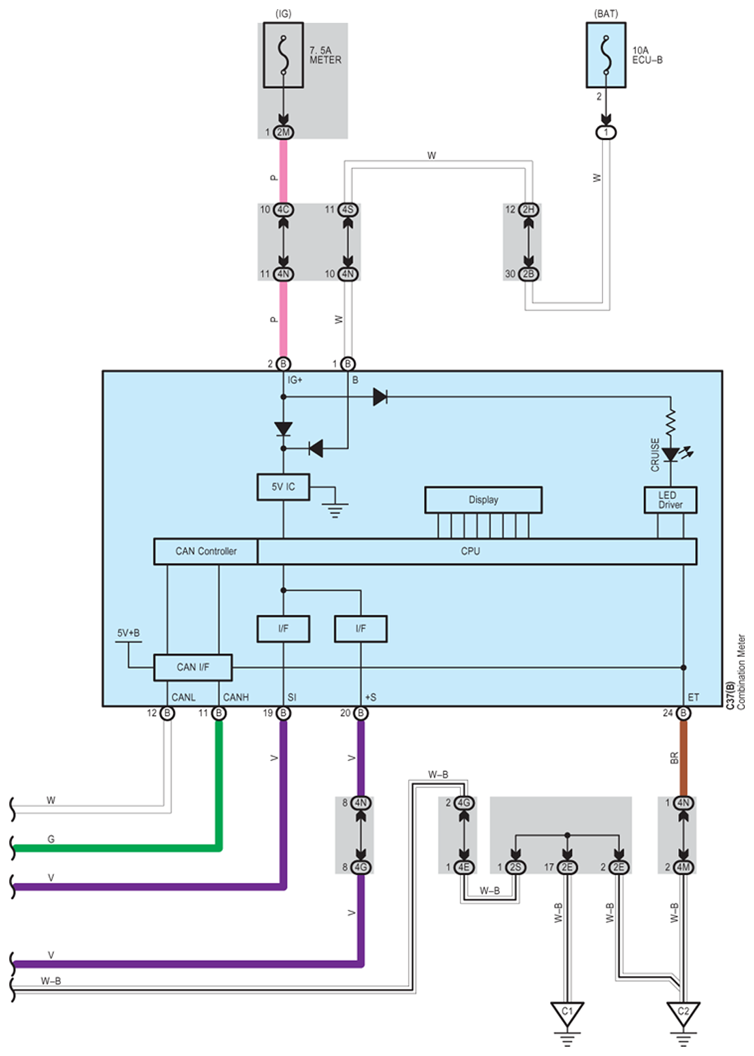
Fig 1: Data Link Connector 3 - Circuit Diagram
G07618013Courtesy of © TOYOTA, LICENSE AGREEMENT TMS1002