lemon-mirror:
Home >> Scion >> 2008 >> xB Automatic >> Repair and Diagnosis >> Electrical >> Body Electrical >> OEM System Circuits >> Door Lock Control >> Notes

Door Lock Control: Notes

Fig 1: Door Lock Control - Circuit Diagram (1 Of 4)
G07618059Courtesy of © TOYOTA, LICENSE AGREEMENT TMS1002
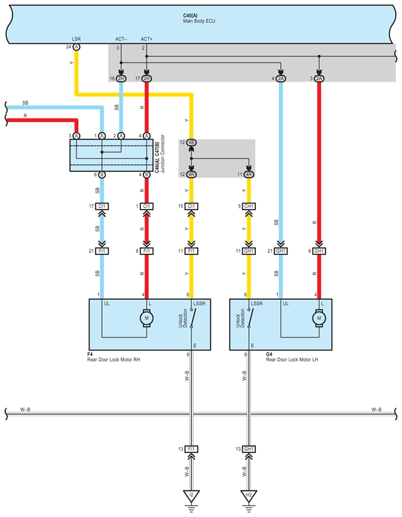
Fig 2: Door Lock Control - Circuit Diagram (2 Of 4)
G07618060Courtesy of © TOYOTA, LICENSE AGREEMENT TMS1002
Fig 3: Door Lock Control - Circuit Diagram (3 Of 4)
G07618061Courtesy of © TOYOTA, LICENSE AGREEMENT TMS1002
Fig 4: Door Lock Control - Circuit Diagram (4 Of 4)
G07618062Courtesy of © TOYOTA, LICENSE AGREEMENT TMS1002