lemon-mirror:
Home >> Scion >> 2008 >> xB Automatic >> Repair and Diagnosis >> Electrical >> Body Electrical >> OEM System Circuits >> Starting >> Notes

OEM System Circuits: Starting: Notes

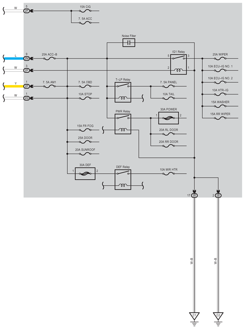
Fig 1: Starting - Circuit Diagram
G07617988Courtesy of © TOYOTA, LICENSE AGREEMENT TMS1002