lemon-mirror:
Home >> Scion >> 2008 >> xB Automatic >> Repair and Diagnosis >> Engine Performance >> Fuel Delivery >> 2AZ-FE Fuel >> Fuel System >> System Diagram

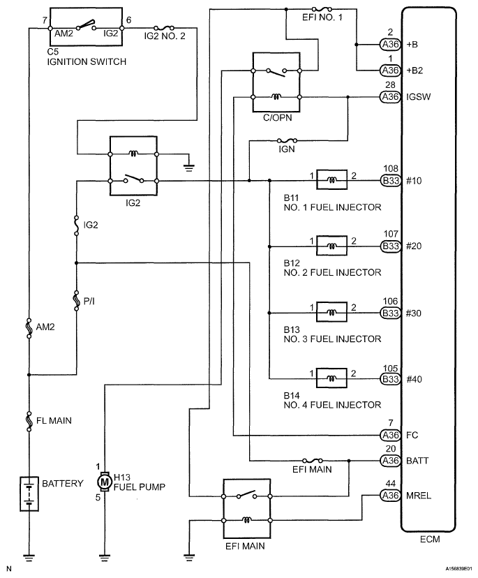
System Diagram

Fig 1: Fuel System Diagram
G05387482Courtesy of © TOYOTA, LICENSE AGREEMENT TMS1002