lemon-mirror:
Home >> Scion >> 2008 >> xD Automatic >> Repair and Diagnosis >> Body & Frame >> Windows >> Windshield/WINDOWGLASS >> Power Window Control System >> System Diagram

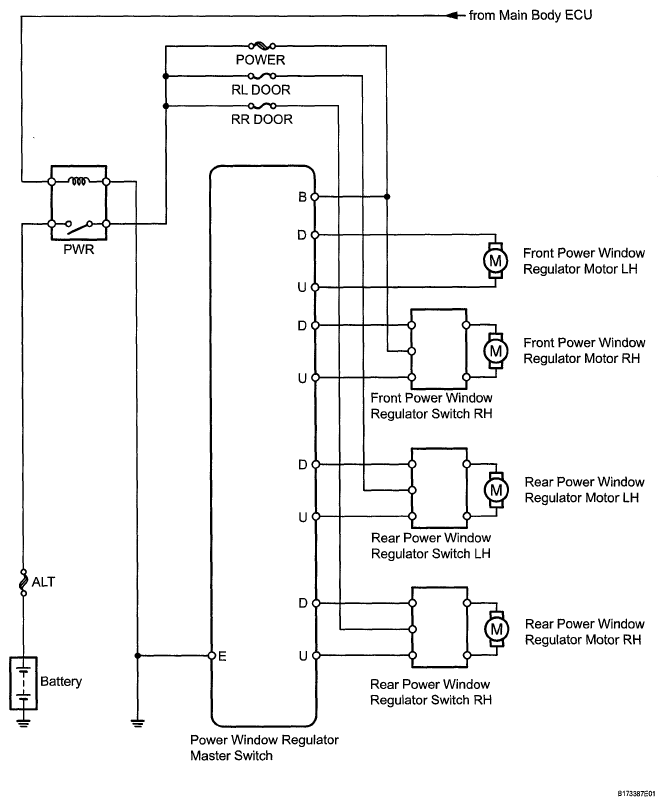
System Diagram

Fig 1: Power Window Control System Diagram (1 Of 2)
G05403014Courtesy of © TOYOTA, LICENSE AGREEMENT TMS1002
Fig 2: Power Window Control System Diagram (2 Of 2)
G05403015Courtesy of © TOYOTA, LICENSE AGREEMENT TMS1002