lemon-mirror:
Home >> Scion >> 2008 >> xD Automatic >> Repair and Diagnosis >> Electrical >> Body Electrical >> OEM System Circuits >> Back Door Opener >> Notes

Back Door Opener: Notes

Fig 1: Back Door Opener - Circuit Diagram (1 Of 4)
G07597364Courtesy of © TOYOTA, LICENSE AGREEMENT TMS1002
Fig 2: Back Door Opener - Circuit Diagram (2 Of 4)
G07597365Courtesy of © TOYOTA, LICENSE AGREEMENT TMS1002
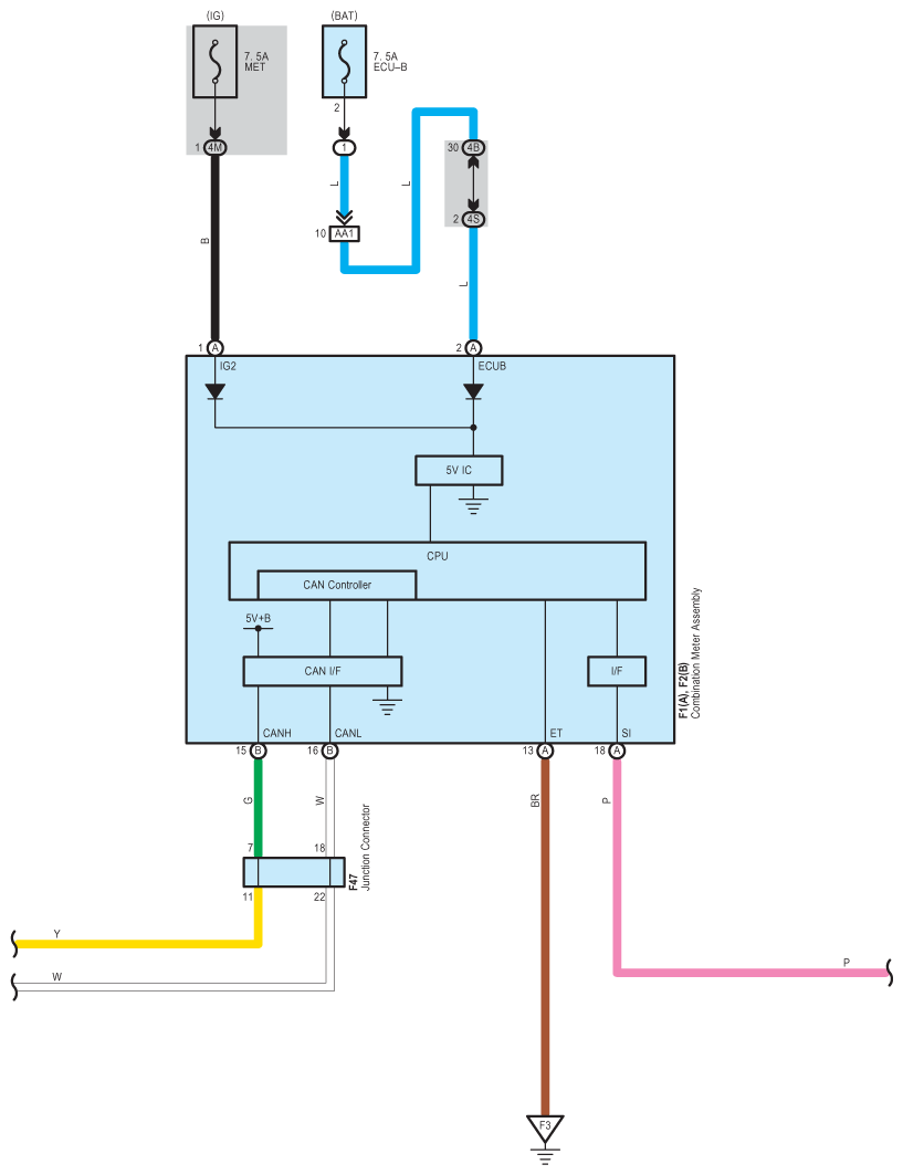
Fig 3: Back Door Opener - Circuit Diagram (3 Of 4)
G07597366Courtesy of © TOYOTA, LICENSE AGREEMENT TMS1002
Fig 4: Back Door Opener - Circuit Diagram (4 Of 4)
G07597367Courtesy of © TOYOTA, LICENSE AGREEMENT TMS1002