lemon-mirror:
Home >> Scion >> 2008 >> xD Automatic >> Repair and Diagnosis >> Electrical >> Charging Systems >> 2ZR-FE Charging >> Charging System >> System Diagram

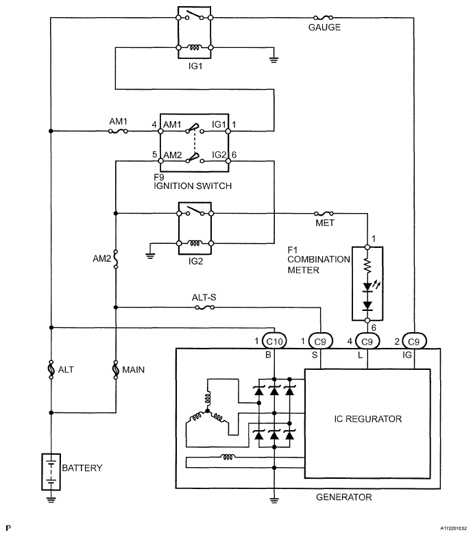
System Diagram

Fig 1: Charging System Diagram
G05399832Courtesy of © TOYOTA, LICENSE AGREEMENT TMS1002