lemon-mirror:
Home >> Scion >> 2008 >> xD Automatic >> Repair and Diagnosis >> Transmission >> Automatic Trans >> U341E Automatic Transaxle >> Automatic Transaxle System >> System Diagram

System Diagram

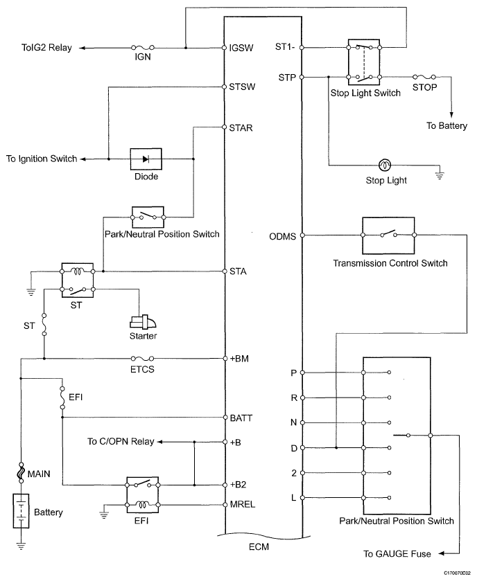
The configuration of the electronic control system in the U341E automatic transaxle is as shown in the following chart.

Fig 1: Automatic Transaxle System Diagram (1 Of 3)
G05399893Courtesy of © TOYOTA, LICENSE AGREEMENT TMS1002
Fig 2: Automatic Transaxle System Diagram (2 Of 3)
G05399894Courtesy of © TOYOTA, LICENSE AGREEMENT TMS1002
Fig 3: Automatic Transaxle System Diagram (3 Of 3)
G05399895Courtesy of © TOYOTA, LICENSE AGREEMENT TMS1002