lemon-mirror:
Home >> Scion >> 2009 >> tC Automatic >> Repair and Diagnosis >> Electrical >> Body Electrical >> OEM System Circuits >> Abs >> Notes

OEM System Circuits: Abs: Notes

Fig 1: ABS - Circuit Diagram (1 Of 4)
G07604565Courtesy of © TOYOTA, LICENSE AGREEMENT TMS1002
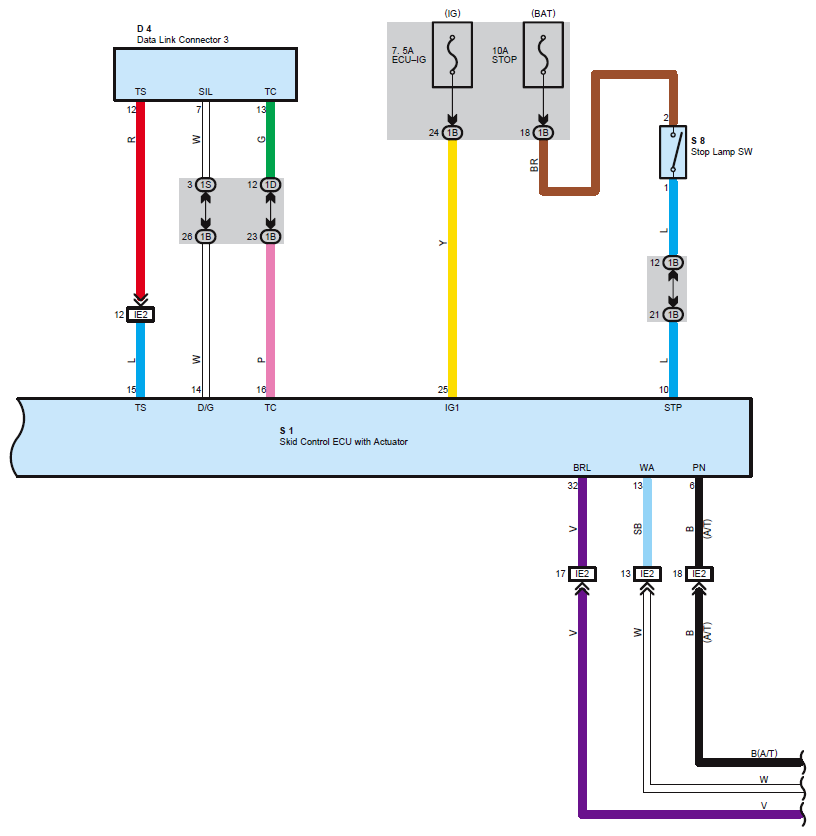
Fig 2: ABS - Circuit Diagram (2 Of 4)
G07604566Courtesy of © TOYOTA, LICENSE AGREEMENT TMS1002
Fig 3: ABS - Circuit Diagram (3 Of 4)
G07604567Courtesy of © TOYOTA, LICENSE AGREEMENT TMS1002
Fig 4: ABS - Circuit Diagram (4 Of 4)
G07604568Courtesy of © TOYOTA, LICENSE AGREEMENT TMS1002