lemon-mirror:
Home >> Scion >> 2009 >> tC Automatic >> Repair and Diagnosis >> Electrical >> Body Electrical >> OEM System Circuits >> Air Conditioning >> Notes

Air Conditioning: Notes

Fig 1: Air Conditioning - Circuit Diagram (1 Of 4)
G07604592Courtesy of © TOYOTA, LICENSE AGREEMENT TMS1002
Fig 2: Air Conditioning - Circuit Diagram (2 Of 4)
G07604593Courtesy of © TOYOTA, LICENSE AGREEMENT TMS1002
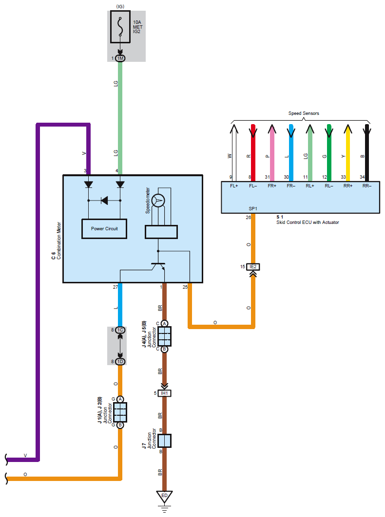
Fig 3: Air Conditioning - Circuit Diagram (3 Of 4)
G07604594Courtesy of © TOYOTA, LICENSE AGREEMENT TMS1002
Fig 4: Air Conditioning - Circuit Diagram (4 Of 4)
G07604595Courtesy of © TOYOTA, LICENSE AGREEMENT TMS1002