lemon-mirror:
Home >> Scion >> 2009 >> tC Automatic >> Repair and Diagnosis >> Electrical >> Body Electrical >> OEM System Circuits >> Door Lock Control >> Notes

Door Lock Control: Notes

Fig 1: Door Lock Control - Circuit Diagram (1 Of 2)
G07604547Courtesy of © TOYOTA, LICENSE AGREEMENT TMS1002
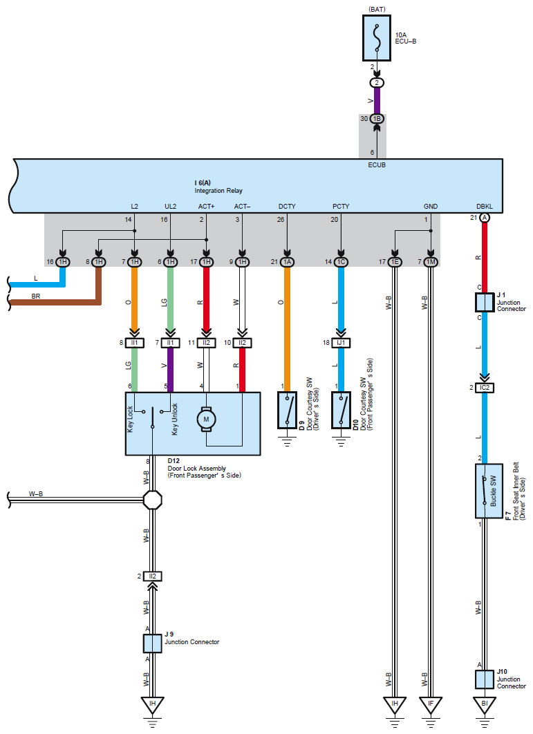
Fig 2: Door Lock Control - Circuit Diagram (2 Of 2)
G07604548Courtesy of © TOYOTA, LICENSE AGREEMENT TMS1002