lemon-mirror:
Home >> Scion >> 2009 >> tC Automatic >> Repair and Diagnosis >> Electrical >> Body Electrical >> OEM System Circuits >> Multiplex Communication System - CAN >> Notes

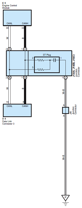
Multiplex Communication System - CAN: Notes

Fig 1: Multiplex Communication System (CAN) - Circuit Diagram
G07604530Courtesy of © TOYOTA, LICENSE AGREEMENT TMS1002