lemon-mirror:
Home >> Scion >> 2009 >> tC Automatic >> Repair and Diagnosis >> Engine Performance >> 2AZ-FE Engine Control System >> SFI System >> System Diagram

System Diagram

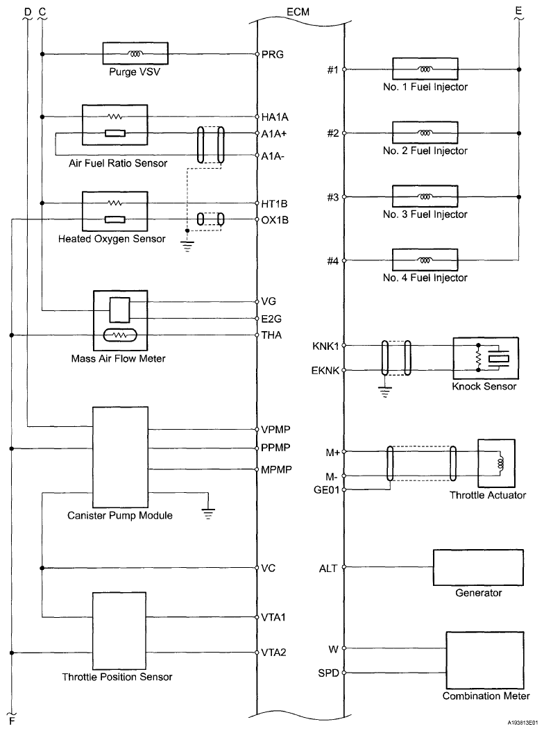
Fig 1: SFI System - System Diagram (1 Of 3)
G06276165Courtesy of © TOYOTA, LICENSE AGREEMENT TMS1002
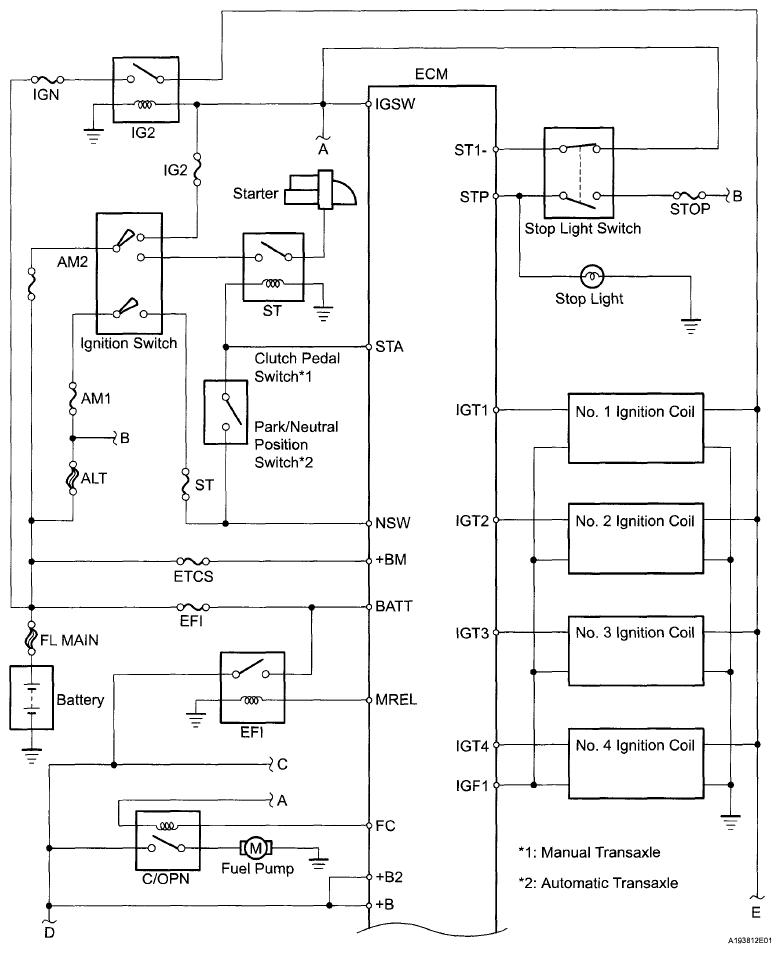
Fig 2: SFI System - System Diagram (2 Of 3)
G06276166Courtesy of © TOYOTA, LICENSE AGREEMENT TMS1002
Fig 3: SFI System - System Diagram (3 Of 3)
G06276167Courtesy of © TOYOTA, LICENSE AGREEMENT TMS1002