lemon-mirror:
Home >> Scion >> 2009 >> tC Standard >> Repair and Diagnosis >> Engine Performance >> Ignition System >> 2AZ-FE Ignition >> Ignition System >> System Diagram

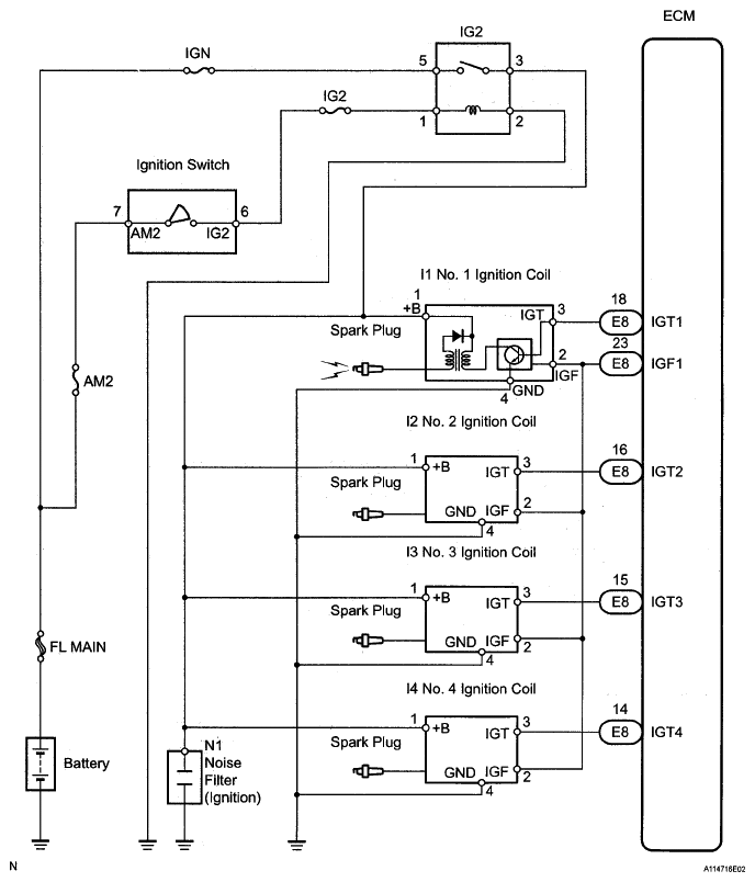
System Diagram

Fig 1: Identifying Ignition System Diagram (1 Of 2)
G05538673Courtesy of © TOYOTA, LICENSE AGREEMENT TMS1002
Fig 2: Identifying Ignition System Diagram (2 Of 2)
G05538674Courtesy of © TOYOTA, LICENSE AGREEMENT TMS1002