lemon-mirror:
Home >> Scion >> 2009 >> xB Automatic >> Repair and Diagnosis >> Body & Frame >> Mirrors >> Power Mirror Control System >> System Diagram

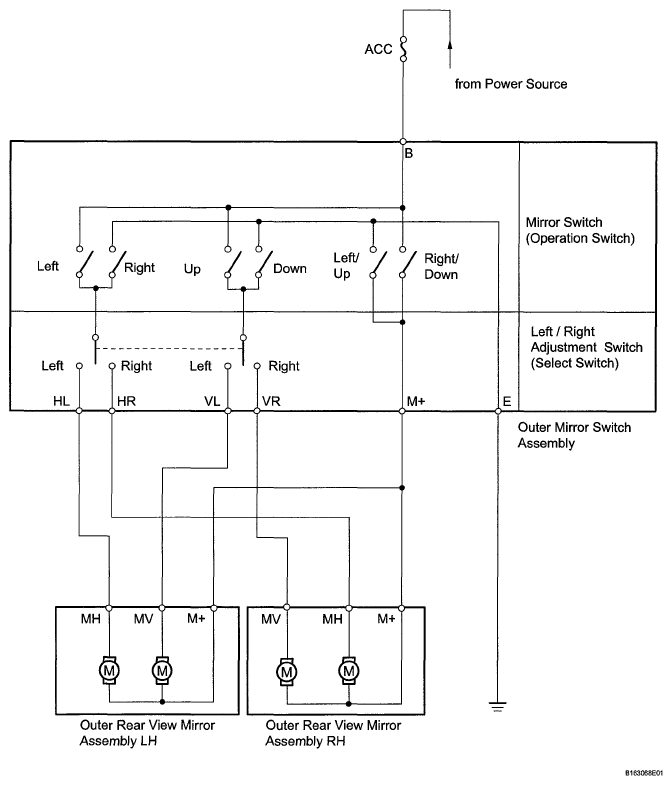
System Diagram

Fig 1: Power Mirror Control System Diagram
G05391349Courtesy of © TOYOTA, LICENSE AGREEMENT TMS1002