lemon-mirror:
Home >> Scion >> 2009 >> xB Automatic >> Repair and Diagnosis >> Body & Frame >> Windows >> Windshield/Window Glass >> Power Window Control System >> System Diagram

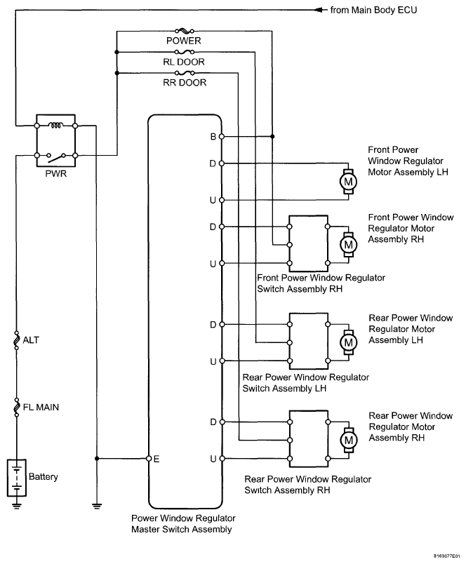
System Diagram

Fig 1: Power Window Control - Circuit Diagram (1 Of 2)
G05391240Courtesy of © TOYOTA, LICENSE AGREEMENT TMS1002
Fig 2: Power Window Control - Circuit Diagram (2 Of 2)
G05391241Courtesy of © TOYOTA, LICENSE AGREEMENT TMS1002