lemon-mirror:
Home >> Scion >> 2009 >> xB Automatic >> Repair and Diagnosis >> Electrical >> Body Electrical >> OEM System Circuits >> Combination Meter >> Notes

Combination Meter: Notes

Fig 1: Combination Meter - Circuit Diagram (1 Of 5)
G07601194Courtesy of © TOYOTA, LICENSE AGREEMENT TMS1002
Fig 2: Combination Meter - Circuit Diagram (2 Of 5)
G07601195Courtesy of © TOYOTA, LICENSE AGREEMENT TMS1002
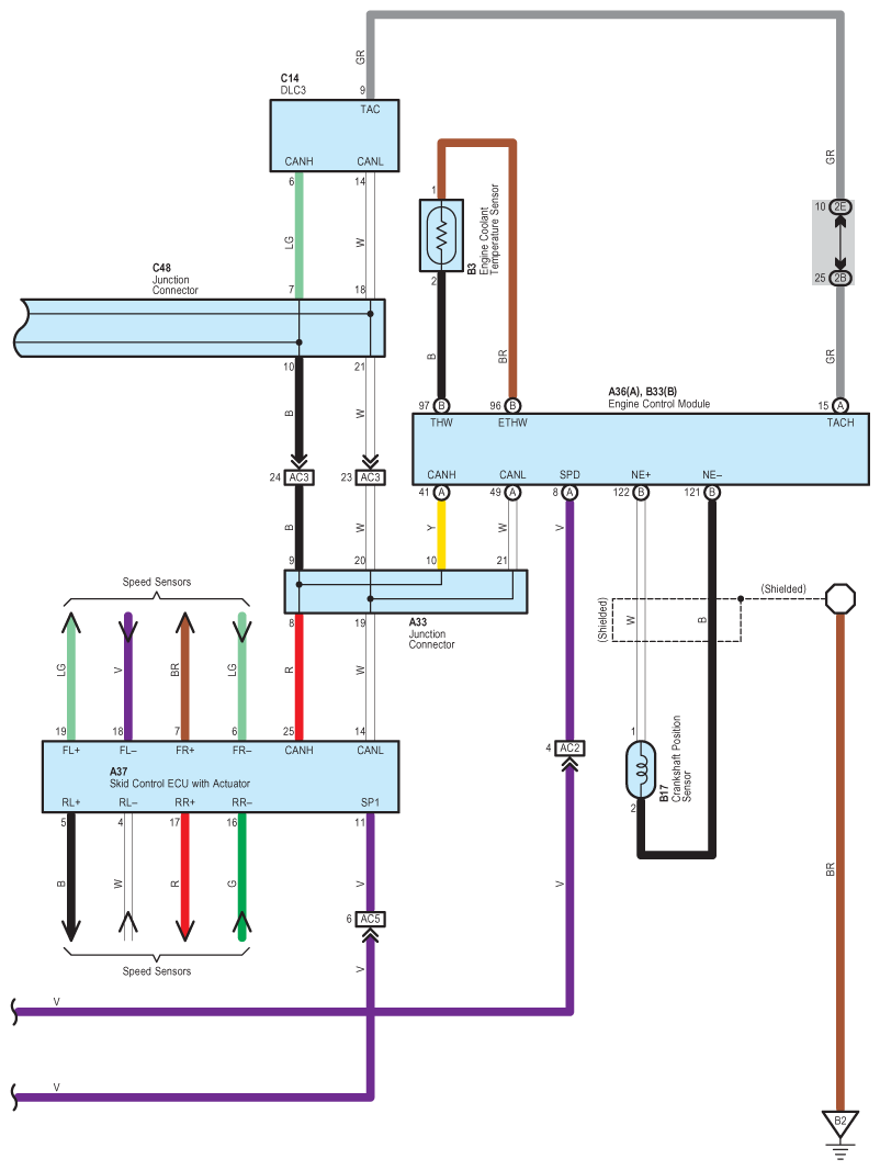
Fig 3: Combination Meter - Circuit Diagram (3 Of 5)
G07601196Courtesy of © TOYOTA, LICENSE AGREEMENT TMS1002
Fig 4: Combination Meter - Circuit Diagram (4 Of 5)
G07601197Courtesy of © TOYOTA, LICENSE AGREEMENT TMS1002
Fig 5: Combination Meter - Circuit Diagram (5 Of 5)
G07601198Courtesy of © TOYOTA, LICENSE AGREEMENT TMS1002