lemon-mirror:
Home >> Scion >> 2009 >> xD Automatic >> Repair and Diagnosis >> Electrical >> Body Electrical >> OEM System Circuits >> Charging >> Notes

OEM System Circuits: Charging: Notes

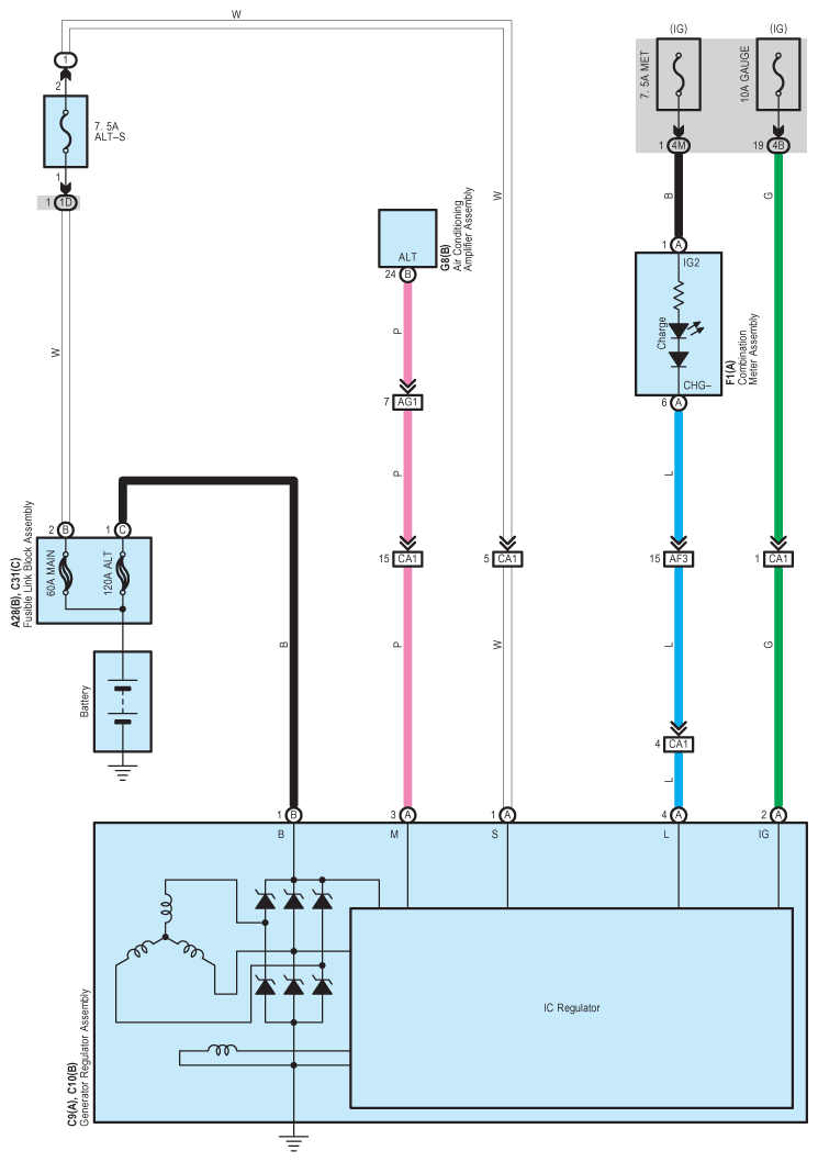
Fig 1: Charging - Circuit Diagram
G07618336Courtesy of © TOYOTA, LICENSE AGREEMENT TMS1002