lemon-mirror:
Home >> Scion >> 2009 >> xD Automatic >> Repair and Diagnosis >> Electrical >> Body Electrical >> OEM System Circuits >> Interior Light >> Notes

Interior Light: Notes

Fig 1: Interior Light - Circuit Diagram (1 Of 3)
G07618362Courtesy of © TOYOTA, LICENSE AGREEMENT TMS1002
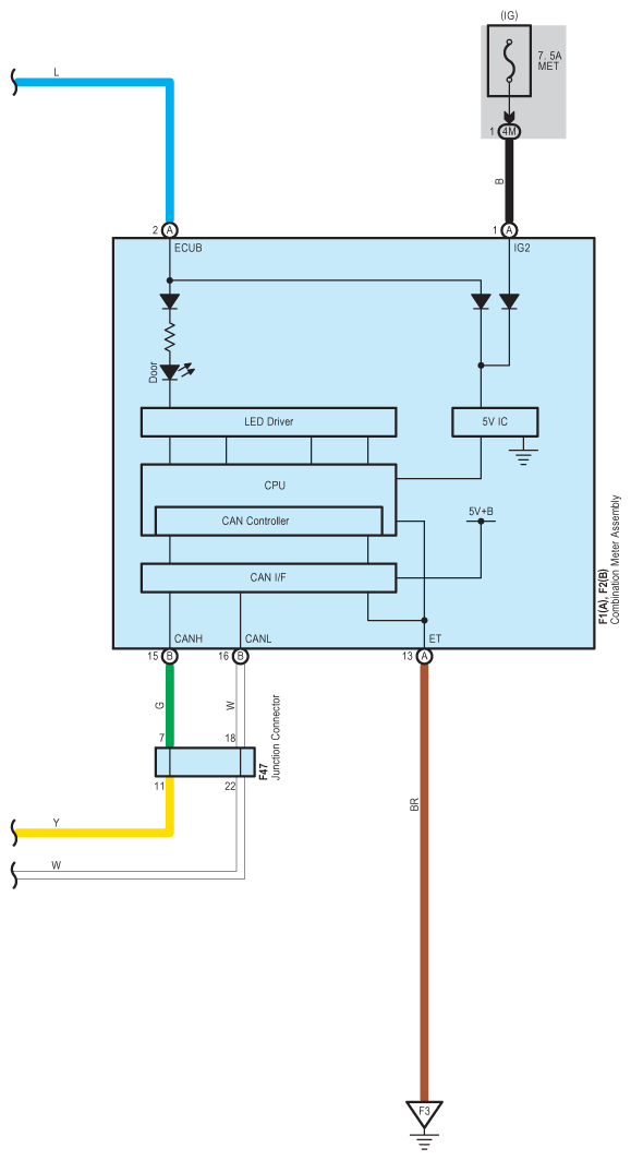
Fig 2: Interior Light - Circuit Diagram (2 Of 3)
G07618363Courtesy of © TOYOTA, LICENSE AGREEMENT TMS1002
Fig 3: Interior Light - Circuit Diagram (3 Of 3)
G07618364Courtesy of © TOYOTA, LICENSE AGREEMENT TMS1002