lemon-mirror:
Home >> Scion >> 2010 >> tC Automatic >> Repair and Diagnosis >> Electrical >> Body Electrical >> OEM System Circuits >> Abs >> Notes

OEM System Circuits: Abs: Notes

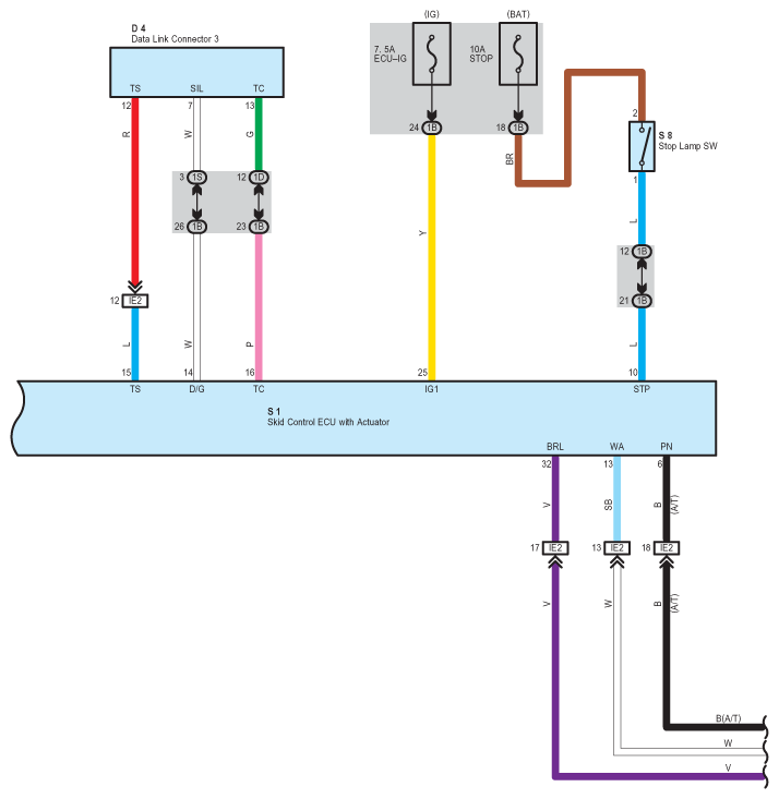
Fig 1: ABS - Circuit Diagram (1 Of 4)
G07585943Courtesy of © TOYOTA, LICENSE AGREEMENT TMS1002
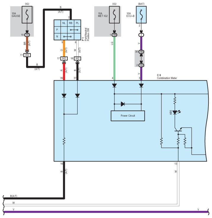
Fig 2: ABS - Circuit Diagram (2 Of 4)
G07585944Courtesy of © TOYOTA, LICENSE AGREEMENT TMS1002
Fig 3: ABS - Circuit Diagram (3 Of 4)
G07585945Courtesy of © TOYOTA, LICENSE AGREEMENT TMS1002
Fig 4: ABS - Circuit Diagram (4 Of 4)
G07585946Courtesy of © TOYOTA, LICENSE AGREEMENT TMS1002