lemon-mirror:
Home >> Scion >> 2010 >> tC Automatic >> Repair and Diagnosis >> Electrical >> Body Electrical >> OEM System Circuits >> Audio System >> Notes

Audio System: Notes

Fig 1: Audio System - Circuit Diagram (1 Of 4)
G07585961Courtesy of © TOYOTA, LICENSE AGREEMENT TMS1002
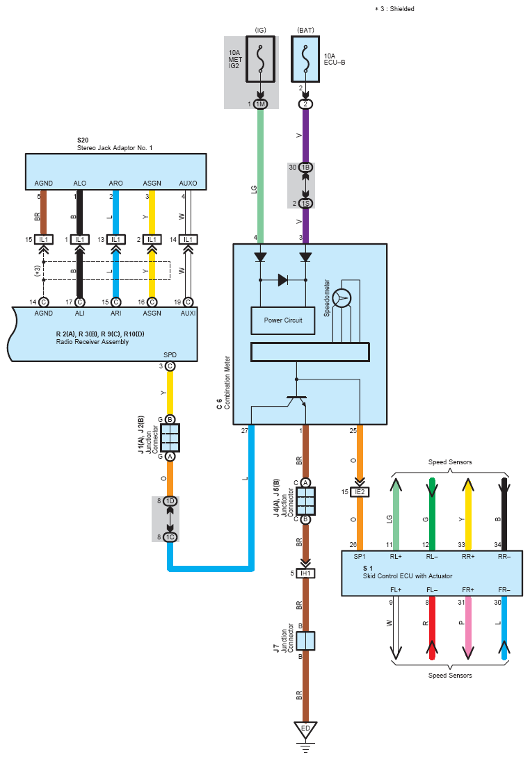
Fig 2: Audio System - Circuit Diagram (2 Of 4)
G07585962Courtesy of © TOYOTA, LICENSE AGREEMENT TMS1002
Fig 3: Audio System - Circuit Diagram (3 Of 4)
G07585963Courtesy of © TOYOTA, LICENSE AGREEMENT TMS1002
Fig 4: Audio System - Circuit Diagram (4 Of 4)
G07585964Courtesy of © TOYOTA, LICENSE AGREEMENT TMS1002