lemon-mirror:
Home >> Scion >> 2010 >> tC Automatic >> Repair and Diagnosis >> Electrical >> Body Electrical >> OEM System Circuits >> Cruise Control >> Notes

Cruise Control: Notes

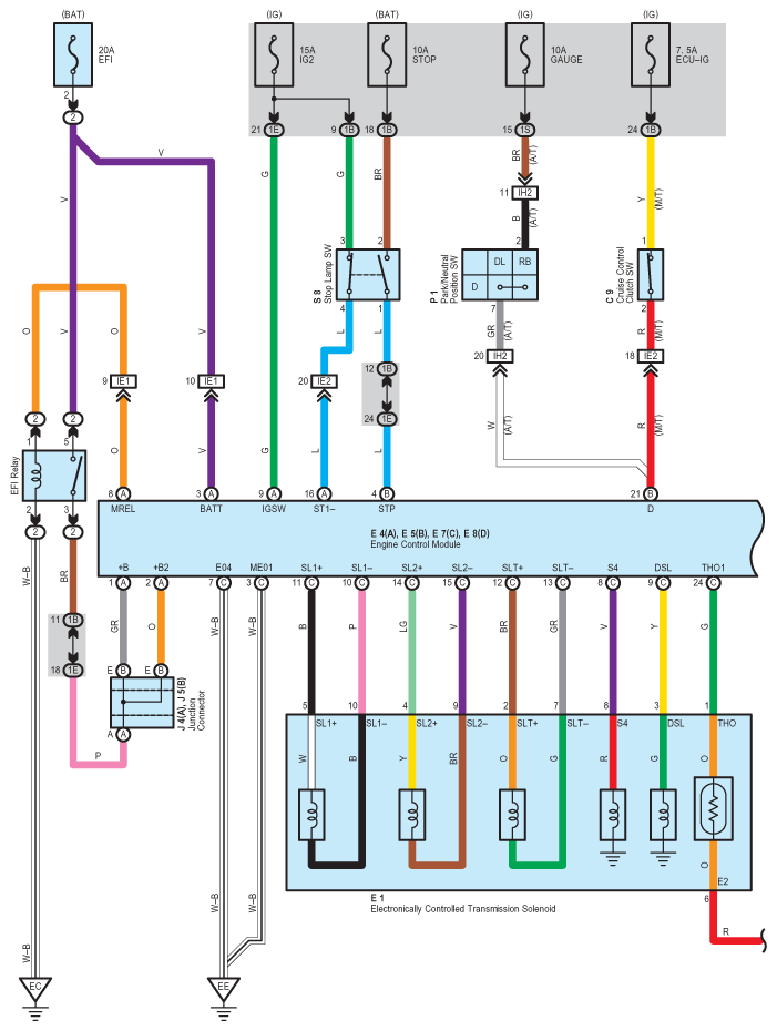
Fig 1: Cruise Control - Circuit Diagram (1 Of 3)
G07585940Courtesy of © TOYOTA, LICENSE AGREEMENT TMS1002
Fig 2: Cruise Control - Circuit Diagram (2 Of 3)
G07585941Courtesy of © TOYOTA, LICENSE AGREEMENT TMS1002
Fig 3: Cruise Control - Circuit Diagram (3 Of 3)
G07585942Courtesy of © TOYOTA, LICENSE AGREEMENT TMS1002