lemon-mirror:
Home >> Scion >> 2010 >> tC Automatic >> Repair and Diagnosis >> Electrical >> Body Electrical >> OEM System Circuits >> Taillight >> Notes

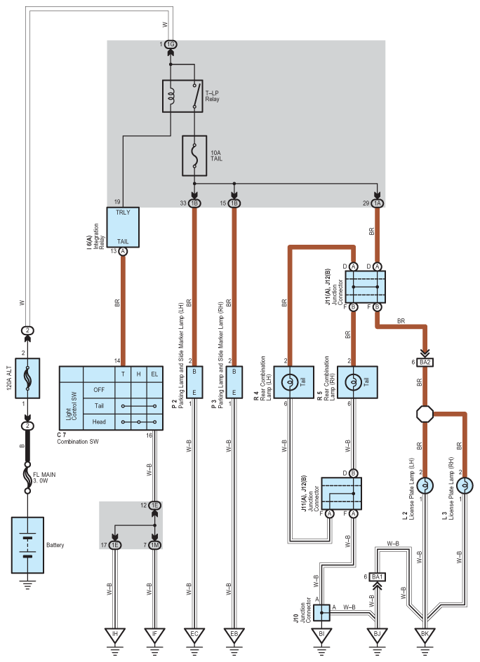
OEM System Circuits: Taillight: Notes

Fig 1: Taillight - Circuit Diagram
G07585917Courtesy of © TOYOTA, LICENSE AGREEMENT TMS1002