lemon-mirror:
Home >> Scion >> 2010 >> xB Automatic >> Repair and Diagnosis >> Body & Frame >> Windows >> Window Defogger (Inspection) >> Window Defogger System >> System Diagram >> System Diagram

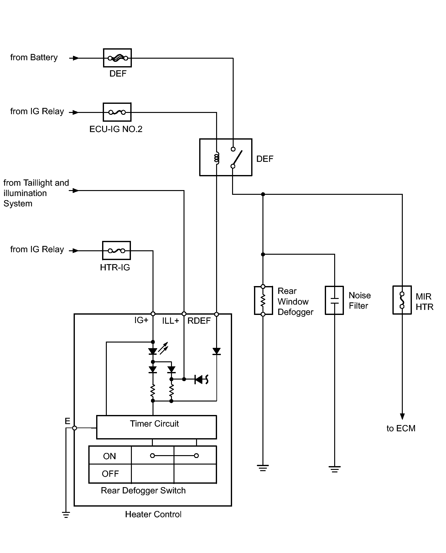
System Diagram

Fig 1: Window Defogger System Diagram
GTY163304Courtesy of © TOYOTA, LICENSE AGREEMENT TMS1002