lemon-mirror:
Home >> Scion >> 2010 >> xD Automatic >> Repair and Diagnosis >> Electrical >> Body Electrical >> OEM System Circuits >> Charging >> Notes

OEM System Circuits: Charging: Notes

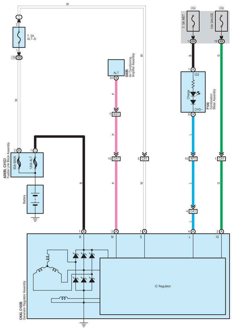
Fig 1: Charging - Circuit Diagram
G07571112Courtesy of © TOYOTA, LICENSE AGREEMENT TMS1002