lemon-mirror:
Home >> Scion >> 2010 >> xD Automatic >> Repair and Diagnosis >> Electrical >> Body Electrical >> OEM System Circuits >> Key Reminder and Light Reminder >> Notes

Key Reminder and Light Reminder: Notes

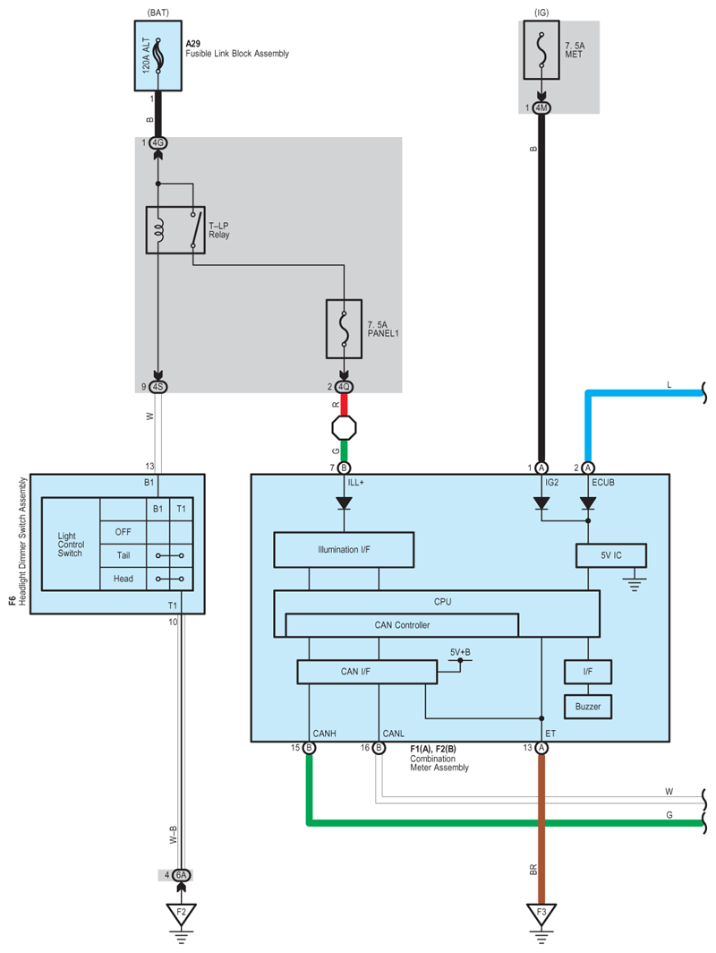
Fig 1: Key Reminder And Light Reminder - Circuit Diagram (1 Of 2)
G07571149Courtesy of © TOYOTA, LICENSE AGREEMENT TMS1002
Fig 2: Key Reminder And Light Reminder - Circuit Diagram (2 Of 2)
G07571150Courtesy of © TOYOTA, LICENSE AGREEMENT TMS1002