lemon-mirror:
Home >> Scion >> 2010 >> xD Automatic >> Repair and Diagnosis >> Electrical >> Body Electrical >> OEM System Circuits >> Remote Control Mirror >> Notes

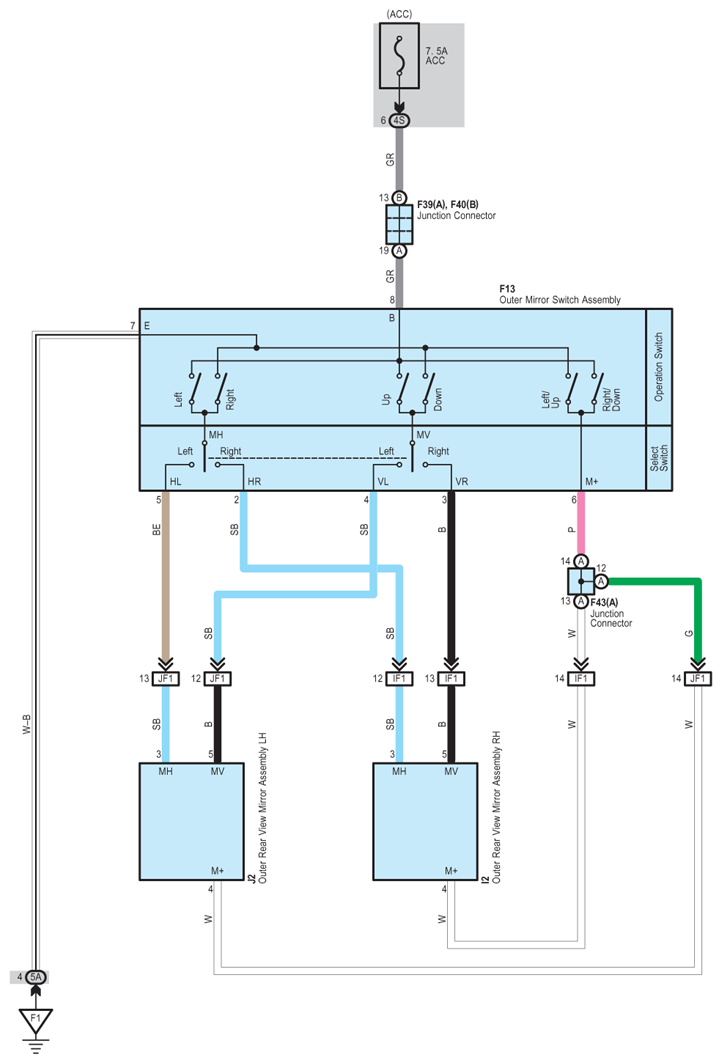
Remote Control Mirror: Notes

Fig 1: Remote Control Mirror - Circuit Diagram
G07571197Courtesy of © TOYOTA, LICENSE AGREEMENT TMS1002