lemon-mirror:
Home >> Scion >> 2010 >> xD Automatic >> Repair and Diagnosis >> Electrical >> Body Electrical >> OEM System Circuits >> Starting >> Notes

OEM System Circuits: Starting: Notes

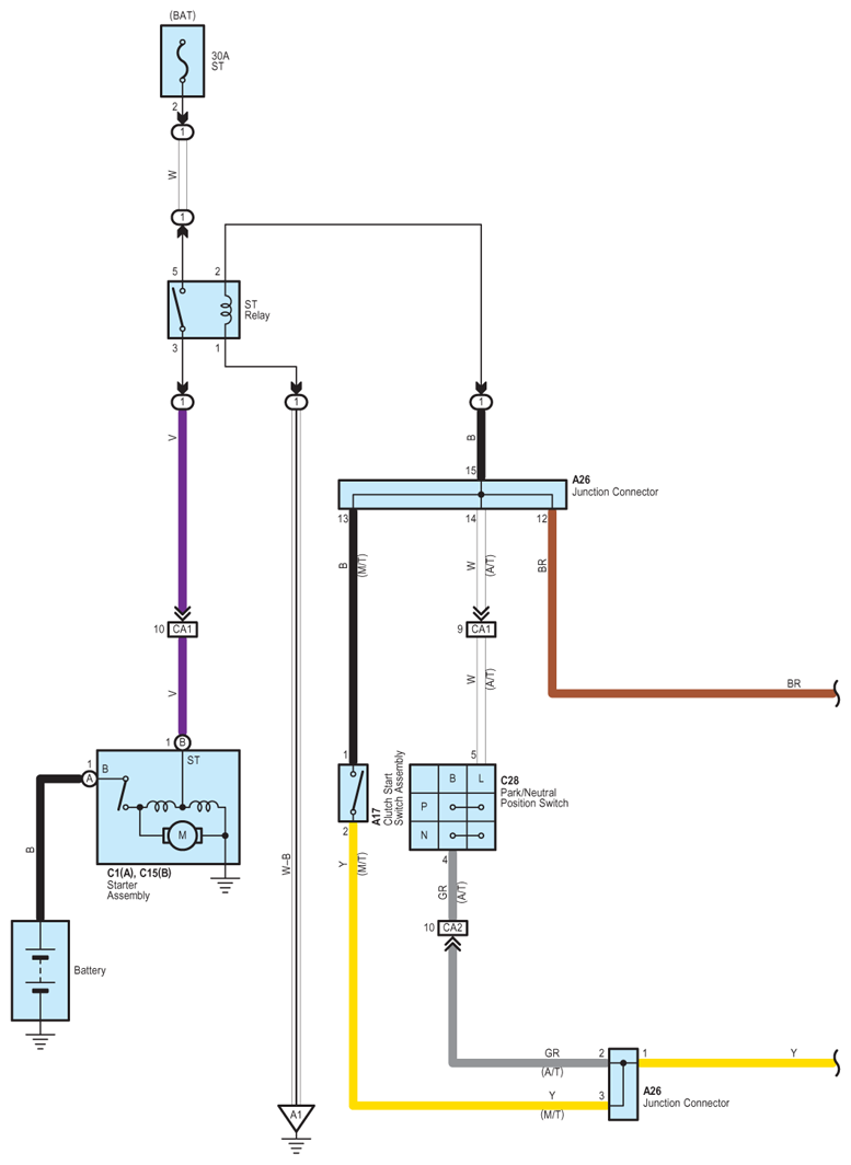
Fig 1: Starting - Circuit Diagram (1 Of 2)
G07571110Courtesy of © TOYOTA, LICENSE AGREEMENT TMS1002
Fig 2: Starting - Circuit Diagram (2 Of 2)
G07571111Courtesy of © TOYOTA, LICENSE AGREEMENT TMS1002