lemon-mirror:
Home >> Scion >> 2011 >> tC Automatic >> Repair and Diagnosis >> Electrical >> Body Electrical >> OEM Ground Points >> Ground Point >> Notes

Ground Point: Notes

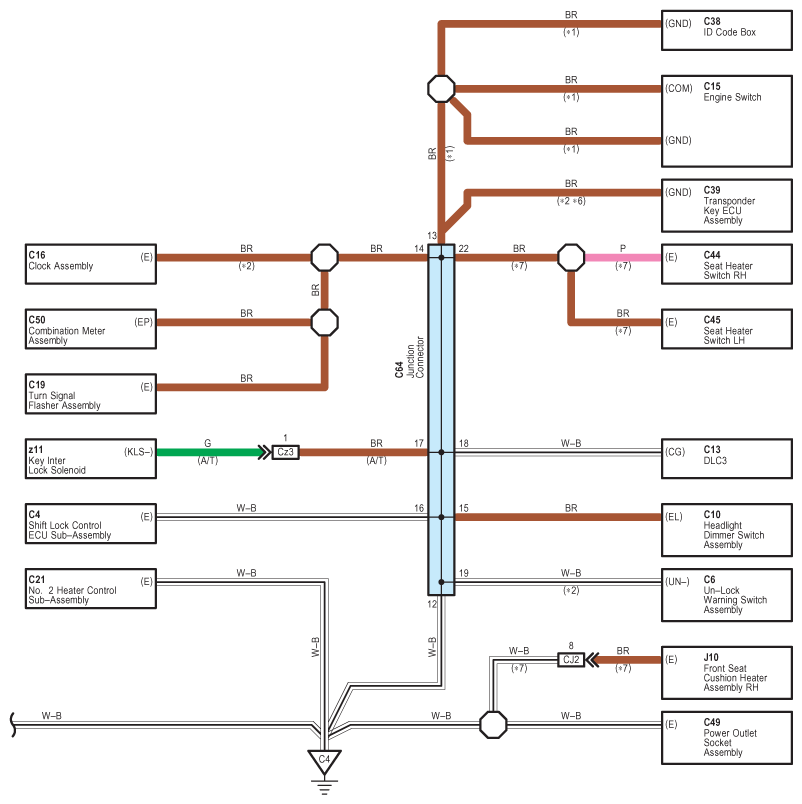
Fig 1: Ground Point - Wiring Diagram (1 Of 6)
G07619621Courtesy of © TOYOTA, LICENSE AGREEMENT TMS1002
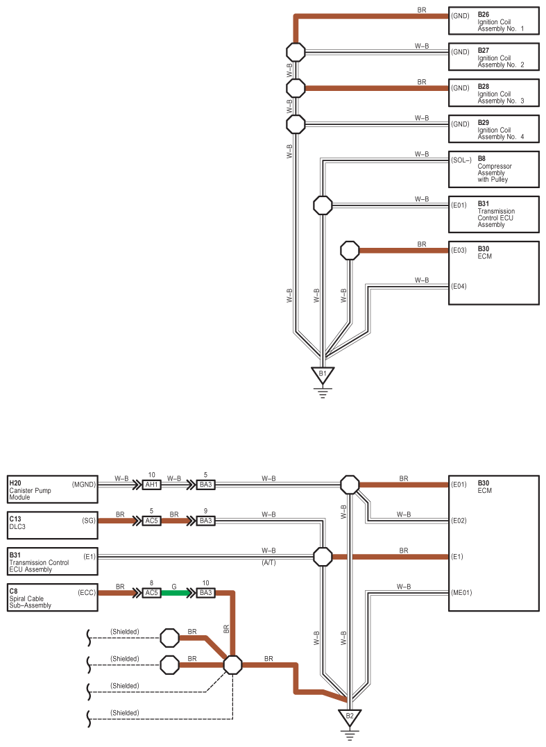
Fig 2: Ground Point - Wiring Diagram (2 Of 6)
G07619622Courtesy of © TOYOTA, LICENSE AGREEMENT TMS1002
Fig 3: Ground Point - Wiring Diagram (3 Of 6)
G07619623Courtesy of © TOYOTA, LICENSE AGREEMENT TMS1002
Fig 4: Ground Point - Wiring Diagram (4 Of 6)
G07619624Courtesy of © TOYOTA, LICENSE AGREEMENT TMS1002
Fig 5: Ground Point - Wiring Diagram (5 Of 6)
G07619625Courtesy of © TOYOTA, LICENSE AGREEMENT TMS1002
Fig 6: Ground Point - Wiring Diagram (6 Of 6)
G07619626Courtesy of © TOYOTA, LICENSE AGREEMENT TMS1002