lemon-mirror:
Home >> Scion >> 2011 >> tC Automatic >> Repair and Diagnosis >> Electrical >> Body Electrical >> OEM System Circuits >> EPS >> Notes

OEM System Circuits: EPS: Notes

Fig 1: EPS - Circuit Diagram (1 Of 2)
G07619592Courtesy of © TOYOTA, LICENSE AGREEMENT TMS1002
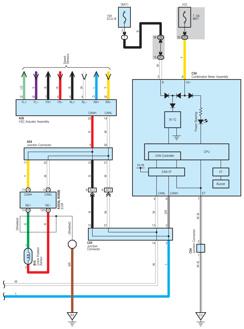
Fig 2: EPS - Circuit Diagram (2 Of 2)
G07619593Courtesy of © TOYOTA, LICENSE AGREEMENT TMS1002