lemon-mirror:
Home >> Scion >> 2011 >> xB Automatic >> Repair and Diagnosis >> Electrical >> Body Electrical >> OEM System Circuits >> Cooling Fan >> Notes

Cooling Fan: Notes

Fig 1: Cooling Fan - Circuit Diagram (1 Of 2)
G07610338Courtesy of © TOYOTA, LICENSE AGREEMENT TMS1002
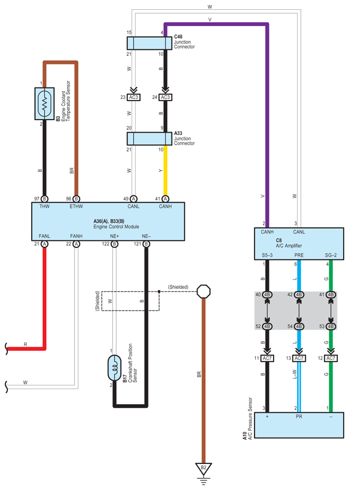
Fig 2: Cooling Fan - Circuit Diagram (2 Of 2)
G07610339Courtesy of © TOYOTA, LICENSE AGREEMENT TMS1002