lemon-mirror:
Home >> Scion >> 2011 >> xB Automatic >> Repair and Diagnosis >> Electrical >> Body Electrical >> OEM System Circuits >> Engine Control >> Notes

Engine Control: Notes

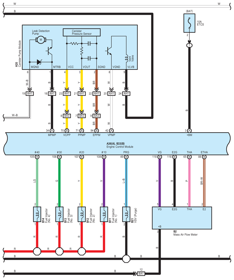
Fig 1: Engine Control - Circuit Diagram (1 Of 9)
G07610243Courtesy of © TOYOTA, LICENSE AGREEMENT TMS1002
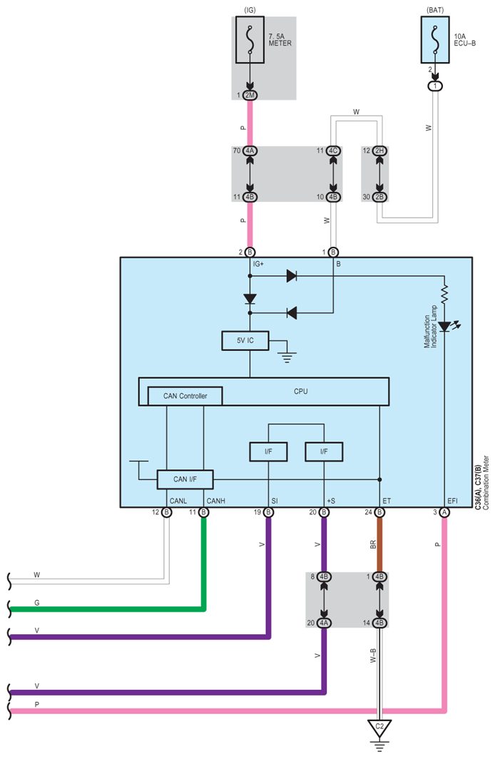
Fig 2: Engine Control - Circuit Diagram (2 Of 9)
G07610244Courtesy of © TOYOTA, LICENSE AGREEMENT TMS1002
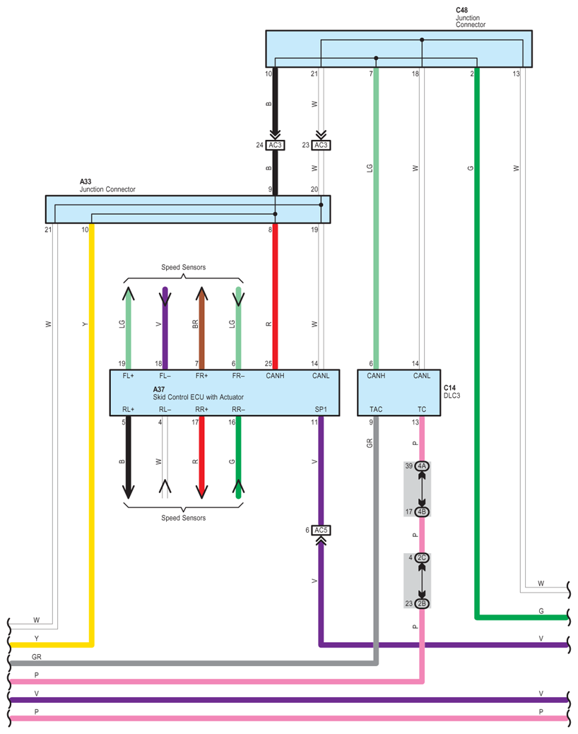
Fig 3: Engine Control - Circuit Diagram (3 Of 9)
G07610245Courtesy of © TOYOTA, LICENSE AGREEMENT TMS1002
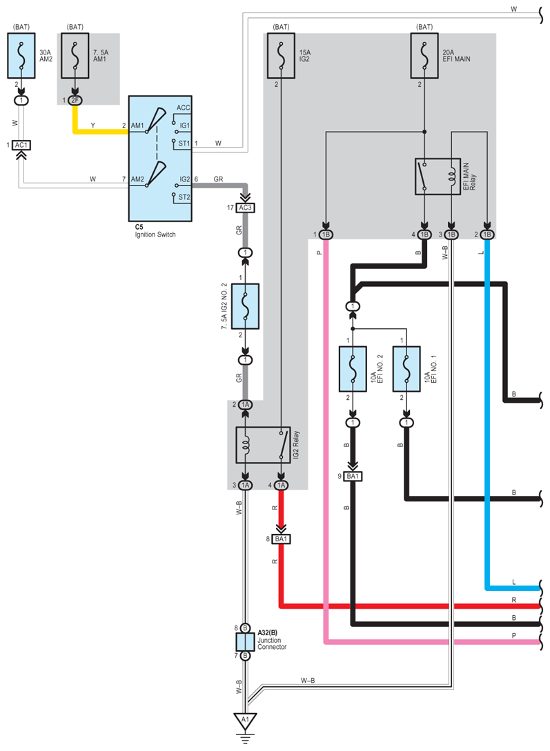
Fig 4: Engine Control - Circuit Diagram (4 Of 9)
G07610246Courtesy of © TOYOTA, LICENSE AGREEMENT TMS1002
Fig 5: Engine Control - Circuit Diagram (5 Of 9)
G07610247Courtesy of © TOYOTA, LICENSE AGREEMENT TMS1002
Fig 6: Engine Control - Circuit Diagram (6 Of 9)
G07610248Courtesy of © TOYOTA, LICENSE AGREEMENT TMS1002
Fig 7: Engine Control - Circuit Diagram (7 Of 9)
G07610249Courtesy of © TOYOTA, LICENSE AGREEMENT TMS1002
Fig 8: Engine Control - Circuit Diagram (8 Of 9)
G07610250Courtesy of © TOYOTA, LICENSE AGREEMENT TMS1002
Fig 9: Engine Control - Circuit Diagram (9 Of 9)
G07610251Courtesy of © TOYOTA, LICENSE AGREEMENT TMS1002