lemon-mirror:
Home >> Scion >> 2011 >> xD Automatic >> Repair and Diagnosis >> Electrical >> Body Electrical >> OEM Ground Points >> Ground Point >> Notes

Ground Point: Notes

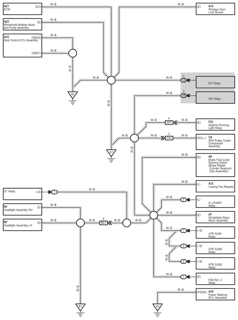
Fig 1: Ground Point - Circuit Diagram (1 Of 4)
G07596183Courtesy of © TOYOTA, LICENSE AGREEMENT TMS1002
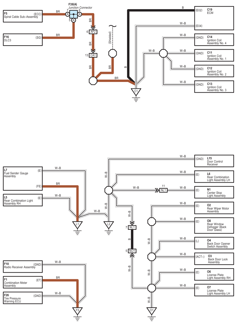
Fig 2: Ground Point - Circuit Diagram (2 Of 4)
G07596184Courtesy of © TOYOTA, LICENSE AGREEMENT TMS1002
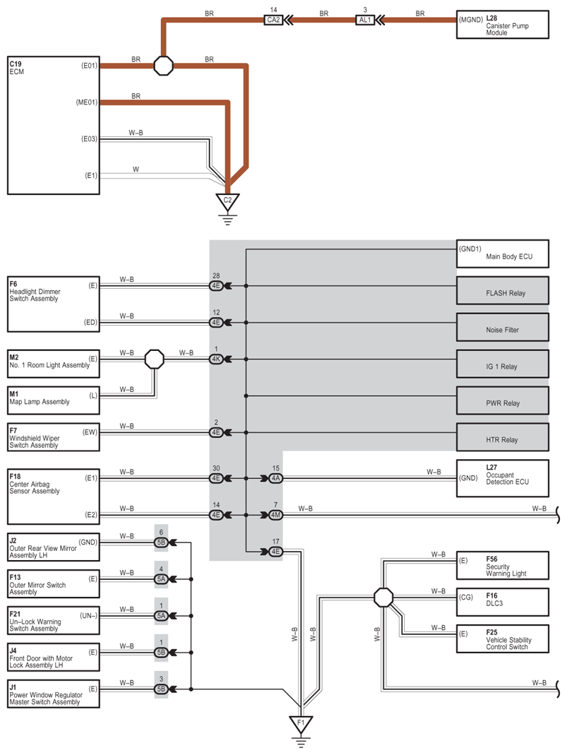
Fig 3: Ground Point - Circuit Diagram (3 Of 4)
G07596185Courtesy of © TOYOTA, LICENSE AGREEMENT TMS1002
Fig 4: Ground Point - Circuit Diagram (4 Of 4)
G07596186Courtesy of © TOYOTA, LICENSE AGREEMENT TMS1002