lemon-mirror:
Home >> Scion >> 2011 >> xD Automatic >> Repair and Diagnosis >> Electrical >> Body Electrical >> OEM System Circuits >> Cruise Control >> Notes

Cruise Control: Notes

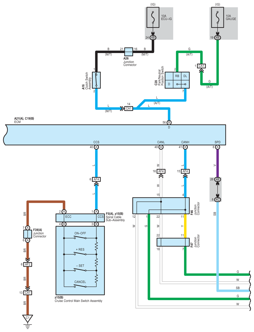
Fig 1: Cruise Control - Circuit Diagram (1 Of 6)
G07596156Courtesy of © TOYOTA, LICENSE AGREEMENT TMS1002
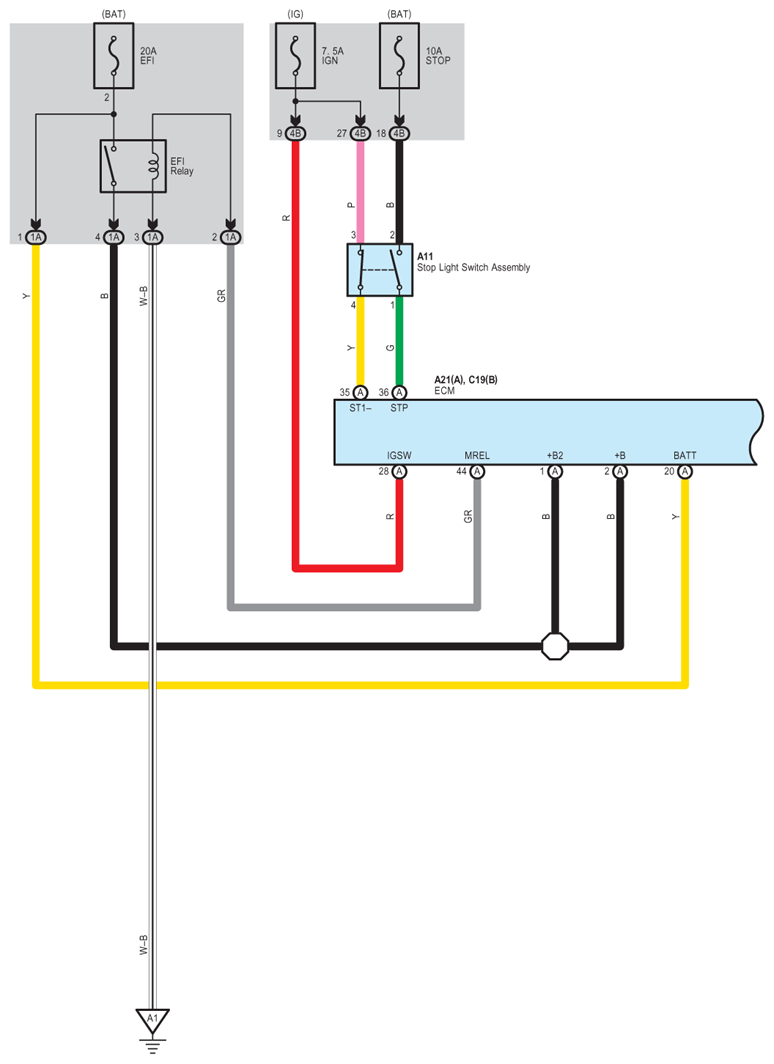
Fig 2: Cruise Control - Circuit Diagram (2 Of 6)
G07596157Courtesy of © TOYOTA, LICENSE AGREEMENT TMS1002
Fig 3: Cruise Control - Circuit Diagram (3 Of 6)
G07596158Courtesy of © TOYOTA, LICENSE AGREEMENT TMS1002
Fig 4: Cruise Control - Circuit Diagram (4 Of 6)
G07596159Courtesy of © TOYOTA, LICENSE AGREEMENT TMS1002
Fig 5: Cruise Control - Circuit Diagram (5 Of 6)
G07596160Courtesy of © TOYOTA, LICENSE AGREEMENT TMS1002
Fig 6: Cruise Control - Circuit Diagram (6 Of 6)
G07596161Courtesy of © TOYOTA, LICENSE AGREEMENT TMS1002