lemon-mirror:
Home >> Scion >> 2012 >> iQ >> Repair and Diagnosis >> Electrical >> Body Electrical >> OEM System Circuits >> Back Door Opener >> Notes

Back Door Opener: Notes

Fig 1: Back Door Opener System Wiring Diagram (1 Of 3)
G08759852Courtesy of © TOYOTA, LICENSE AGREEMENT TMS1002
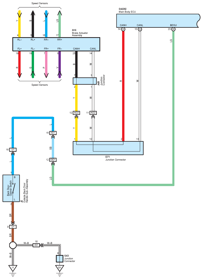
Fig 2: Back Door Opener System Wiring Diagram (2 Of 3)
G08759853Courtesy of © TOYOTA, LICENSE AGREEMENT TMS1002
Fig 3: Back Door Opener System Wiring Diagram (3 Of 3)
G08759854Courtesy of © TOYOTA, LICENSE AGREEMENT TMS1002