lemon-mirror:
Home >> Scion >> 2012 >> iQ >> Repair and Diagnosis >> Electrical >> Body Electrical >> OEM System Circuits >> CVT, Engine Control and Shift Indicator >> Notes

CVT, Engine Control and Shift Indicator: Notes

Fig 1: CVT, Engine Control And Shift Indicator System Wiring Diagram (1 Of 13)
G08759783Courtesy of © TOYOTA, LICENSE AGREEMENT TMS1002
Fig 2: CVT, Engine Control And Shift Indicator System Wiring Diagram (2 Of 13)
G08759784Courtesy of © TOYOTA, LICENSE AGREEMENT TMS1002
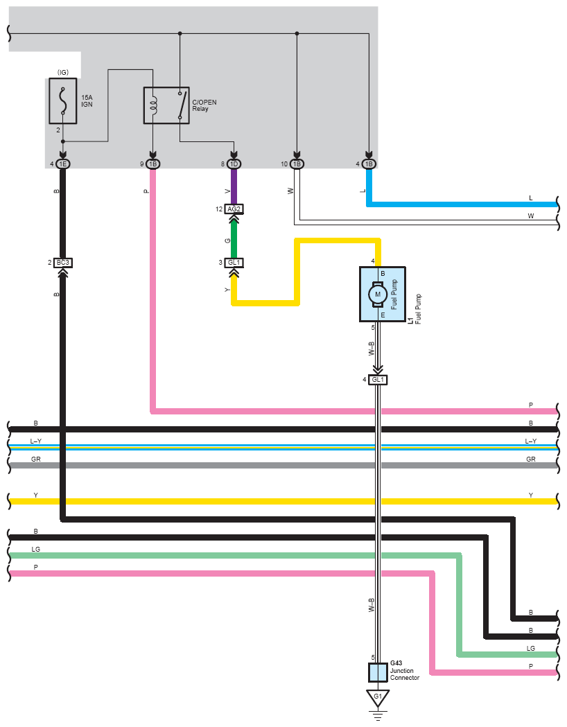
Fig 3: CVT, Engine Control And Shift Indicator System Wiring Diagram (3 Of 13)
G08759785Courtesy of © TOYOTA, LICENSE AGREEMENT TMS1002
Fig 4: CVT, Engine Control And Shift Indicator System Wiring Diagram (4 Of 13)
G08759786Courtesy of © TOYOTA, LICENSE AGREEMENT TMS1002
Fig 5: CVT, Engine Control And Shift Indicator System Wiring Diagram (5 Of 13)
G08759787Courtesy of © TOYOTA, LICENSE AGREEMENT TMS1002
Fig 6: CVT, Engine Control And Shift Indicator System Wiring Diagram (6 Of 13)
G08759788Courtesy of © TOYOTA, LICENSE AGREEMENT TMS1002
Fig 7: CVT, Engine Control And Shift Indicator System Wiring Diagram (7 Of 13)
G08759789Courtesy of © TOYOTA, LICENSE AGREEMENT TMS1002
Fig 8: CVT, Engine Control And Shift Indicator System Wiring Diagram (8 Of 13)
G08759790Courtesy of © TOYOTA, LICENSE AGREEMENT TMS1002
Fig 9: CVT, Engine Control And Shift Indicator System Wiring Diagram (9 Of 13)
G08759791Courtesy of © TOYOTA, LICENSE AGREEMENT TMS1002
Fig 10: CVT, Engine Control And Shift Indicator System Wiring Diagram (10 Of 13)
G08759792Courtesy of © TOYOTA, LICENSE AGREEMENT TMS1002
Fig 11: CVT, Engine Control And Shift Indicator System Wiring Diagram (11 Of 13)
G08759793Courtesy of © TOYOTA, LICENSE AGREEMENT TMS1002
Fig 12: CVT, Engine Control And Shift Indicator System Wiring Diagram (12 Of 13)
G08759794Courtesy of © TOYOTA, LICENSE AGREEMENT TMS1002
Fig 13: CVT, Engine Control And Shift Indicator System Wiring Diagram (13 Of 13)
G08759795Courtesy of © TOYOTA, LICENSE AGREEMENT TMS1002