lemon-mirror:
Home >> Scion >> 2012 >> iQ >> Repair and Diagnosis >> Electrical >> Body Electrical >> OEM System Circuits >> Engine Immobiliser System >> Notes

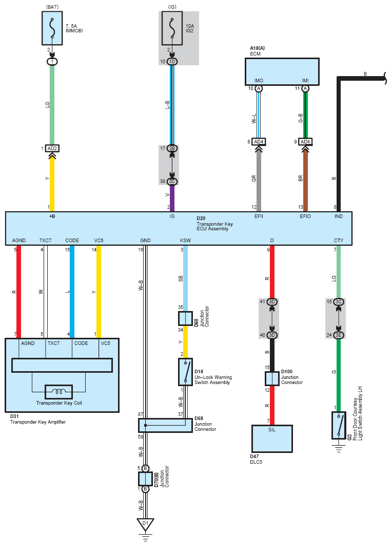
Engine Immobiliser System: Notes

Fig 1: Engine Immobiliser System Wiring Diagram (1 Of 2)
G08759796Courtesy of © TOYOTA, LICENSE AGREEMENT TMS1002
Fig 2: Engine Immobiliser System Wiring Diagram (2 Of 2)
G08759797Courtesy of © TOYOTA, LICENSE AGREEMENT TMS1002