lemon-mirror:
Home >> Scion >> 2012 >> iQ >> Repair and Diagnosis >> Electrical >> Body Electrical >> OEM System Circuits >> Front Wiper and Washer >> Notes

Front Wiper and Washer: Notes

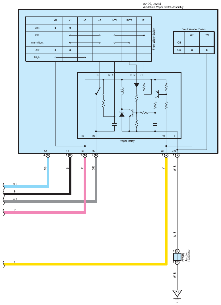
Fig 1: Front Wiper And Washer System Wiring Diagram (1 Of 2)
G08759855Courtesy of © TOYOTA, LICENSE AGREEMENT TMS1002
Fig 2: Front Wiper And Washer System Wiring Diagram (2 Of 2)
G08759856Courtesy of © TOYOTA, LICENSE AGREEMENT TMS1002